В промышленном и коммерческом секторах трехфазные трансформаторы играют роль для эффективной передачи и распределения электроэнергии.Объединяя три однофазных трансформатора в одну единицу, они снижают затраты, размер и вес.Эти трансформаторы обеспечивают равномерное распределение электрической энергии между обмотками высокого и низкого напряжения, независимо от их типа конструкции.В этой статье объясняются их конфигурации построения, эксплуатации и соединений, помогая вам понять их функциональность и приложения.Он начинается с конструкций типа ядра и оболочки, которые управляют магнитным потоком и минимизируют потери энергии.Он также охватывает принципы эксплуатации, балансировку магнитного потока и типы соединений, такие как Delta/Delta, Delta/Wye, Wye/Delta и Wye/Wye, наряду со специализированными соединениями, такими как Скотт и Зигзаг.Примеры и сравнения между трансформаторами сухого типа и заполненных жидкостью предоставляются, чтобы помочь инженерам выбрать правильный трансформатор для оптимальной производительности и надежности.

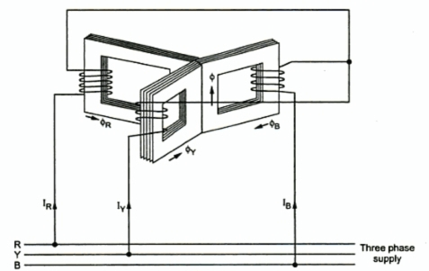
Рисунок 1: Трехфазная конструкция трансформатора
Они объединяют три однофазных трансформатора в один, экономя деньги, пространство и вес.Ядро имеет три магнитные цепи, которые уравновешивают магнитный поток между частями высокого и низкого напряжения.Этот дизайн отличается от трехфазных трансформаторов типа оболочки, которые группируются три ядра вместе, но не объединяют их.Это делает систему более эффективной и надежной по сравнению с однофазными системами.
Общим дизайном для трехфазных трансформаторов является три-конечный тип ядра.Каждая конечность поддерживает свой собственный магнитный поток и действует как возвратный путь для других, создавая три потока, которые из фазы составляют 120 градусов.Это разность фаз сохраняет форму магнитного потока почти синусоидальной, что обеспечивает стабильное выходное напряжение, уменьшает искажения и потери и повышает производительность и продолжительность жизни.Этот простой и эффективный дизайн популярен для стандартного использования.

Рисунок 2: Тип ядра
В конструкции типа основного типа для трехфазных трансформаторов дизайн фокусируется на трех основных ядрах, каждая из которых сочетается с двумя Yokes.Эта структура эффективно распределяет магнитный поток.Каждое ядро поддерживает первичные и вторичные обмотки, которые наносятся в спираль вокруг ядра.Эта настройка гарантирует, что каждая нога несет как обмотки высокого напряжения (HV), так и обмотки низкого напряжения (LV), уравновешивая электрическую нагрузку и магнитное распределение потока.
Другая особенность трансформаторов основного типа - сокращение потерь вихревого тока.Вихревые токи, вызванные проводниками с помощью меняющегося магнитного поля, могут вызвать потери энергии и снизить эффективность.Чтобы свести к минимуму эти потери, ядро ламинировано.Это включает в себя укладку тонких слоев магнитного материала, каждый из которых изолирован от других, чтобы ограничить вихревые токи и уменьшить их воздействие.
Позиционирование обмоток является еще одним дизайнерским аспектом.Низкое напряжение обмотки расположены ближе к сердечнику.Это размещение упрощает изоляцию и охлаждение, поскольку обмотки LV работают при более низких напряжениях, требуя меньшей изоляции.Изоляция и нефтяные воздуховоды вводятся между обмотками LV и ядром для улучшения охлаждения и предотвращения перегрева, обеспечивая долговечность трансформатора.
Высокие обмотки расположены над обмотками LV, также изолированы и распределяются с нефтяными воздуховодами.Эти нефтяные воздуховоды лучше всего подходят для охлаждения и поддержания эффективности изоляционной системы при высоком напряжении.Это подробное расположение обмоток и ламинированного ядра позволяет трансформаторам типа ядра эффективно выполнять высокие напряжения, с минимальными потери энергии и высокой стабильностью.Эти принципы проектирования делают трансформаторы типа основного типа идеальным для приложений, требующих эффективного управления магнитным потоком и высокого напряжения.
Трансформеры типа оболочки предлагают другой подход к трехфазному конструкции трансформатора, характеризующийся уникальным дизайном и эксплуатационными преимуществами.Эта конструкция включает в себя укладку трех отдельных однофазных трансформаторов для образования трехфазного блока, в отличие от трансформаторов ядра, где фазы взаимозависимы.В трансформаторах типа оболочки каждая фаза имеет свою собственную магнитную цепь и работает независимо.Независимые магнитные цепи расположены параллельно друг другу, гарантируя, что магнитные потоки находятся в фазе, но не мешают друг другу.Это разделение вносит значительный вклад в стабильность трансформатора и последовательную производительность.

Рисунок 3: Тип оболочки
Преимущество трансформаторов типа оболочки - уменьшенное искажение формы волны.Независимая работа каждой фазы приводит к более чистым и более стабильным формам волн напряжения по сравнению с трансформаторами типа ядра.Это важно в приложениях, где качество напряжения скомпрометировано, например, в чувствительных промышленных и коммерческих системах, где искажение может привести к неисправности оборудования.
Трансформаторы типа оболочки также эффективны.Каждый этап может быть оптимизирован для его конкретных условий нагрузки независимо, повышая надежность и эффективность.Уменьшенное искажение формы волны сводит к минимуму потери гармоники, что еще больше повышает эффективность трансформатора и продолжительность жизни.
Конструкция и работа как трансформаторов типа ядра, так и типа оболочки помогают инженерам и техникам выбирать правильный трансформатор для своих электрических систем.Независимо от того, необходимо ли для обработки высоких напряжений, минимизации потерь энергии или обеспечения стабильного питания напряжения, выбор соответствующего типа трансформатора обеспечивает оптимальную производительность.

Рисунок 4: Работа трехфазного трансформатора
Три ядра, расположенные на расстоянии 120 градусов друг от друга, используются в трехфазных трансформаторах, чтобы гарантировать эффективное взаимодействие магнитных потоков, генерируемых первичными обмотками.Ядро трансформатора обрабатывает магнитный поток, генерируемый токами IR, IY и IB в первичных обмотках.Эти токи создают магнитные потоки ɸr, ɸy и ɸb.Подключенные к трехфазному источнику питания, эти токи вызывают магнитный поток в ядрах.
В сбалансированной системе сумма трехфазных токов (IR + IY + IB) равна нулю, что приводит к нулю комбинированного магнитного потока (ɸR + ɸy + ɸB) в центральной ноге.Таким образом, трансформатор может функционировать без центральной ноги, так как другие ноги справляются с потоком независимо.Трехфазные трансформаторы равномерно распределяют мощность на три этапа, снижая потери энергии и повышая стабильность питания.Баланс потока в структуре ядра, необходимой для эффективной работы трансформатора.Распределение магнитного потока в ядре трехфазного трансформатора должно быть сбалансировано для его функционирования.Размещение ядер на 120 градусов и точная индукция токов обеспечивает эффективную работу.
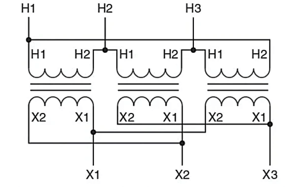
Чтобы удовлетворить различные требования, трехфазные обмотки трансформаторов могут быть связаны различными способами.«Звезда» (Wye), «Дельта» (сетка) и «взаимосвязанная звезда» (Zig-Zag)-это три основных типа соединений.Комбинации могут включать первичную дельту, связанную со вторичной звездами, или наоборот, в зависимости от приложения.

Рисунок 5: Трехфазные соединения трансформаторов
Соединение Delta/Delta широко используется, когда требуется одно вторичное напряжение или когда основная нагрузка в основном состоит из трехфазного оборудования.Эта настройка распространена в промышленных настройках с большими трехфазными нагрузками двигателя, работающих при 480 В или 240 В, и с минимальными потребностями в освещении и состепенстве 120 В.Коэффициент поворотов между первичным и вторичным обмоткой выравнивается с необходимыми напряжениями, что делает эту настройку менее подходящей для различных преобразований напряжения.

Рисунок 6: Символ для трансформатора Delta/Delta

Рисунок 7: Схема соединения для трансформатора Delta/Delta
Delta/Delta Connection предлагает несколько преимуществ.Одним из преимуществ является уменьшенный фазовый ток, который составляет всего 57,8% от тока линии.Это сокращение позволяет для более мелких проводников для каждого однофазного трансформатора по сравнению с линейными проводниками, поставляющими трехфазную нагрузку, снижая затраты на материал и упрощая систему.Кроме того, гармонические токи имеют тенденцию к отмене, улучшая способность трансформатора изолировать электрический шум между первичными и вторичными цепями.Это приводит к стабильному вторичному напряжению с минимальными колебаниями во время скачков нагрузки.Если однофазный трансформатор сбой, система все еще может обеспечить трехфазное напряжение через конфигурацию открытой дельта, хотя и при сниженной емкости 58%.
Несмотря на эти преимущества, Delta/Delta Connection имеет заметные недостатки.Он обеспечивает только одно вторичное напряжение, которое может потребовать дополнительных трансформаторов для различных потребностей напряжения, увеличения сложности и стоимости системы.Основные проводники обмотки должны быть изолированы для полного первичного напряжения, что требует дополнительной изоляции для высоковольтных применений.Другим недостатком является отсутствие общей наземной точки на вторичной стороне, которая может привести к высоким напряжениям на землю, создавая риски безопасности и потенциальное повреждение оборудования.
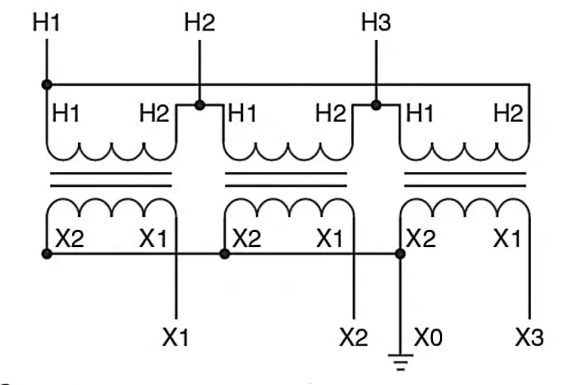
Соединение Delta/Wye является общей настройкой трансформатора, используемой на разных вторичных напряжениях.Это отлично подходит для систем, которые должны обеспечить различные уровни напряжения одновременно.Например, на заводах и коммерческих зданиях часто существует необходимость в высоком напряжении для тяжелых машин и более низкого напряжения для освещения и общего использования.Типичное использование может включать в себя предоставление 208 В для двигателей и 120 В для огней и розетков.Соединение Delta/Wye может хорошо справляться с этими потребностями напряжения.
В этой установке первичная обмотка находится в форме дельты (δ), а вторичная обмотка находится в форме Wye (Y).Дельта -соединение на основной стороне хорошо подходит для обработки высоких мощных нагрузок, обеспечивая сильный и стабильный источник питания.Это полезно в промышленных условиях с большими двигателями и тяжелым оборудованием.Расположение Delta также помогает уменьшить определенные типы электрического шума, обеспечивая более чистый источник питания для подключенных устройств.

Рисунок 8: Символ для трансформатора Delta/Wye

Рисунок 9: Схема соединения для трансформатора Delta/Wye
Подключение WYE позволяет вторичному напряжению линии быть в 1,73 раза больше, причем одинаковое количество поворотов на первичных и вторичных обмотках каждого однофазного трансформатора, что полезно для приложений для усиления трансформаторов.Вторичные обмотки требуют меньшей изоляции, поскольку они не должны быть изолированы для полного напряжения вторичной линии.Доступность нескольких напряжений на вторичной стороне может устранить необходимость в том, чтобы дополнительные трансформаторы подали нагрузки 120 В в трехфазной системе с напряжением линии 208 В.Преимущество-это наличие общей точки на вторичной стороне, чтобы заземлить систему, ограничивая потенциал напряжения на землю и не позволяя ей превышать напряжение вторичной фазы.
Однако соединение Delta/Wye имеет свои недостатки.Основные обмотки должны быть изолированы для полного трехфазного напряжения линии, требуя дополнительной изоляции, особенно для применений с высоким напряжением.Вторичное соединение WYE не отменяет гармонические токи, влияя на стабильность и эффективность трансформатора.Вторичные обмотки должны нести весь трехфазный ток линии, что означает, что они должны быть больше, чем в дельте с той же мощностью.
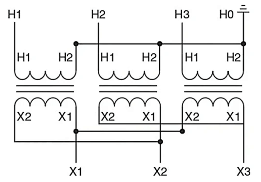
Соединение трансформатора Y/Δ, также называемое соединением Wye/Delta, является распространенной установкой в электроэнергии.Это полезно, когда вам нужно одно вторичное напряжение или когда основная нагрузка представляет собой трехфазное оборудование, такое как промышленные двигатели и тяжелые машины.Эта установка также часто используется в пошаговых трансформаторах для снижения высоких первичных напряжений до более безопасных и более эффективных нижних вторичных напряжений.
В связи с этим основные обмотки расположены в форме Wye (Y), причем каждая обмотка соединена с общей нейтральной точкой, которая обычно заземлена.Вторичные обмотки расположены в форме дельты (δ), образуя петлю.Фазовые отношения и уровни напряжения стабилизируются, в то время как трехфазная мощность преобразуется с помощью этой установки.

Рисунок 10: Символ для трансформатора Wye/Delta

Рисунок 11: Схема соединения для трансформатора Wye/Delta
Коэффициент поворотов приводит к вторичному напряжению линии, которое уменьшается в 1,73 (или 57,8%) из-за соединения WYE, что делает его полезным для применений с понижением трансформаторов.Это гарантирует, что вторичные гармонические токи отменены, обеспечивая превосходную шумоподобную изоляцию между первичными и вторичными цепями.Основные обмотки не должны быть изолированы для полного трехфазного напряжения линии, что потенциально снижает требования к изоляции при уходе с высокого напряжения.Трехфазная мощность по-прежнему может быть доставлена с использованием открытой дельта-системы в случае сбоя однофазного трансформатора, но на 58% более низкой емкости.
Wye/Delta Connection имеет свои недостатки.Как и Delta/Delta Connection, оно предлагает только одно вторичное напряжение, требующее дополнительных трансформаторов для подачи освещения и нагрузки на сосуда.На вторичной стороне нет общей заземления, что приводит к высоким напряжениям на землю.Основные проводники обмотки должны нести полный трехфазный ток линии, требуя больших проводников по сравнению с первичной первичной дельтой одной и той же мощности.Наконец, общая точка первичных обмотков WYE должна быть подключена к нейтральному системе, чтобы избежать колебаний напряжения с несбалансированными нагрузками.
Соединение трансформатора Wye/Wye редко используется из -за его передачи шума, гармонического искажения, интерференции связи и нестабильности фазового напряжения.В установке Wye/Wye нейтральные точки как первичных, так и вторичных обмоток заземлены.Хотя это заземление обеспечивает эталонную точку и может помочь сбалансировать нагрузки, оно также позволяет передавать шум между первичными и вторичными цепями.Это означает, что любой электрический шум с одной стороны может легко перемещаться на другую, нанося ущерб чувствительному электронному оборудованию и вызывая неэффективность.
Соединения Wye/Wye подвержены гармоникам, которые являются нежелательными частотами, которые искажают электрические токи и напряжения.Гармоники могут поступать из нелинейных нагрузок, таких как выпрямители и переменные частоты.В отличие от других конфигураций, таких как Delta/Wye, трансформаторы Wye/Wye не отменяют эти гармоники эффективно.

Рисунок 12: Символ для трансформатора Wye/Wye

Рисунок 13: Схема соединения для трансформатора Wye/Wye
• Чувствительный к несбалансированным нагрузкам, вызывая несбалансированные токи в обмотках, что может привести к перегреву и снижению эффективности.
• Может возникнуть циркулирующие нейтральные токи, особенно с несбалансированными нагрузками, требующими дополнительных мер защиты.
• Заземление трансформатора Wye/Wye является более сложным по сравнению с другими конфигурациями, что приводит к циклам наземных петлей и угрозам безопасности.
• Искажение напряжения из гармонических токов, генерируемых нелинейными нагрузками, может повлиять на производительность чувствительного оборудования и может потребовать дополнительных меров фильтрации или смягчения.
• Реализация трансформатора Wye/Wye может быть более дорогой из -за сложности соединений и дополнительных мер, связанных с таким образом, чтобы решить такие проблемы, как несбалансированные нагрузки и нейтральные токи.

Рисунок 14: Открыть соединение Delta или V-V
Два однофазных трансформатора используются в открытом дельта-соединении.Эта настройка полезна, когда один трансформатор ломается или нуждается в техническом обслуживании.Несмотря на то, что в начальной установке использовались три трансформатора, оставшиеся два все еще могут обеспечить трехфазную мощность, но при сниженной емкости на 58%.
В этом расположении основные обмотки двух трансформаторов соединены в дельте с одной открытой ногой.Фазовые напряжения VAB и VBC производятся во вторичных обмотках двух трансформаторов, а VCA создается из вторичных напряжений двух других трансформаторов.Таким образом, трехфазный источник питания может продолжать работать только с двумя трансформаторами вместо трех.
Когда вы переходите с сбалансированного соединения Delta-Delta на открытую дельту, каждый трансформатор должен обрабатывать гораздо больший ток.Это увеличение примерно в 1,73 раза превышает нормальное количество, что может перегружать трансформаторы на 73,2% больше, чем их нормальная мощность.Чтобы предотвратить перегрев и повреждение во время технического обслуживания, вы должны уменьшить нагрузку на то же коэффициент 1,73.
Если ожидается, что одна фаза будет выходить на улицу, открытое дельта -соединение можно использовать, чтобы продолжать работать во время работы над трансформаторами.

Рисунок 15: Скотт -соединение
Для создания двухфазных напряжений с фазовым сдвигом на 90 ° в соединении Scott трехфазного трансформатора используется два трансформатора: один имеет центральный кран на обе обмотки, а другой имеет 86,6%.Эта настройка позволяет преобразовать мощность между одно- и трехфазными системами только с двумя трансформаторами.
Два трансформатора магнитно, но электрически связаны.Вспомогательный трансформатор соединяется параллельно со сдвигом фазы на 30 °, в то время как основной трансформатор получает трехфазные напряжения питания при первичной обмотке.Для однофазных нагрузок обмотки соединены параллельно на вторичной стороне.Напряжение источника переходит к объединенным вторичным, чтобы изменить однофазу на трехфазный, давая сбалансированный трехфазный выход.
Сохраняя отдельные ядра трансформатора, это магнитное разделение позволяет двум трансформаторам создавать третье фазовое напряжение, необходимое для трехфазного электричества без перегрузки.Для изменения однофазного на трехфазное или трехфазное напряжение на однофазное напряжение с меньшим количеством частей, соединение Скотта является экономически эффективным выбором.Соединение Скотта часто используется для преобразования трехфазных систем в двухфазные системы.
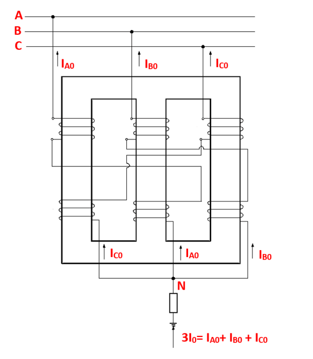
Соединение зигзагообразного трансформатора включает в себя разделение каждой фазовой обмотки на две равные половины, причем первая половина на одной ядро и вторая половина на другой ядро.Этот шаблон повторяется для каждой фазы, что приводит к частям двух фаз на каждой конечности, с одной обмоткой на каждой конечности, подключенной в конечных точках.
Когда применяются сбалансированные напряжения, система остается пассивной, причем индуцированные напряжения отменяют друг друга, устанавливая трансформатор в качестве высокого импеданса к положительным и отрицательным напряжениям последовательности.Во время несбалансированных состояний, таких как разломы на земле, обмотки обеспечивают низкий путь импеданса для нулевых токов последовательности, расщепляя ток на три на три и возвращая его на соответствующие фазы.Импеданс может быть скорректирован, чтобы установить максимальный ток заземления, или трансформатор может использоваться с заземляющим резистором для поддержания постоянного значения в системе среднего напряжения.

Рисунок 16: Зигзаговое трехфазное соединение
Трехфазные трансформаторы делятся на две основные категории: трансформаторы сухого типа и заполненные жидкостью трансформаторы.Каждый тип имеет уникальные характеристики, основанные на их методах охлаждения и конструкции.

Рисунок 17: Трансформатор сухого типа
Трансформаторы сухого типа используют воздух для охлаждения.Они разделены на трансформаторы с открытыми рамами и трансформеры из каст-резина.
Трансформаторы с открытыми рамами: трансформаторы с открытыми рамами обнажали пропитанные смолы ядра и катушки и предназначены для закрытых пространств.Обычно они обрабатывают напряжения до 1000 В и питают до 500 кВА.Их конструкция обеспечивает эффективное охлаждение, что делает их подходящими для средств, которые требуют низкого шума и минимального обслуживания.Тем не менее, их открытый характер требует контролируемой среды, чтобы избежать загрязнения.
Трансформеры катушки с литой резиновой катушки: в кастиновых катушках трансформаторы катушки каждая катушка сочетается в эпоксидной смоле, обеспечивая лучшую защиту и надежность.Они могут обрабатывать напряжения до 36,0 кВ и питание до 40 мВА.Эпоксидная инкапсуляция предлагает превосходную изоляцию, механическую прочность и сопротивление влаге и загрязняющих веществам.Это делает их идеальными для промышленных и наружных условий.

Рисунок 18: Заполненный жидкостью трансформатор
Заполненные жидкостью трансформаторы погружаются в минеральное масло внутри вакуумных металлических контейнеров.Масло служит охлаждением и изолированной средой.Эти трансформаторы подходят для применений с более высокой мощностью и напряжением, с оценками в диапазоне от 6,0 кВ до 1500 кВ и мощностью до 1000+ МВА.Минеральное масло обеспечивает превосходную эффективность охлаждения и изоляцию, что делает их идеальными для промышленного и коммунального применения с высоким спросом.
Контейнеры с захмеченными вакуумом защищают компоненты от факторов окружающей среды, обеспечивая долговечность и надежность.Заполненные жидкостью трансформаторы являются предпочтительными для крупномасштабного распределения мощности из-за их способности обрабатывать высокие нагрузки и поддерживать стабильную производительность.Чтобы сохранить бесперебойную работу и избегать перегрева, тепло должно быть адекватно рассеиваться через погружение в нефть.
Трехфазная конструкция трансформаторов, будь то основной тип или тип оболочки, ценная для управления магнитным потоком и уменьшения потерь.Трансформеры типа основного типа подходят для высоковольтных операций, в то время как трансформаторы типа оболочки обеспечивают лучшую стабильность и эффективность формы волны.Их эксплуатационные принципы, включая сбалансированное распределение магнитного потока и размещение ядра 120 градусов, обеспечивают эффективность и снижение потерь энергии.Специализированные связи, такие как Скотт и Зигзаг, повышают их универсальность для конкретных применений.Выбор между трансформаторами сухого типа и жидкости зависит от потребностей охлаждения, уровней напряжения и условий окружающей среды.Понимание технических деталей и преимуществ различных типов трансформаторов и конфигураций позволяет инженерам оптимизировать энергосистемы для стабильности, эффективности и долговечности.
Когда 3-фазный двигатель теряет одну из своих фаз, состояние известно как отдельная фазирование.Мотор попытается продолжить работу, но он будет испытывать несколько неблагоприятных последствий.Во -первых, двигатель будет производить меньше мощности и работать с увеличением вибрации и шума.Он также будет нарисовать больше тока на оставшихся двух фазах, что приведет к перегреву и потенциальному повреждению моторных обмоток.Если оставить в этих условиях, двигатель может пострадать от повреждения, а его продолжительность жизни будет уменьшена.Практически, операторы заметят необычный звук колибри, снижение производительности и, возможно, повышение температуры моторного корпуса.
Трехфазные трансформаторы соединены в конфигурации Delta (Δ) или Wye (Y).Дельта-соединение образует закрытый цикл с каждым трансформатором, подключенным к сквозному сквозному, создавая треугольник.Подключение WYE соединяет каждую обмотку трансформатора с общей нейтральной точкой, образуя форму «Y».Эти конфигурации влияют на уровни напряжения, распределение нагрузок и метод заземления в электрической системе.
3-фазный трансформатор имеет шесть терминалов на первичной стороне и шесть на вторичной стороне.Эти терминалы соответствуют трем фазам (A, B и C) и их соответствующим концам (H1, H2, H3 для первичной стороны и X1, x2, x3 для вторичной стороны).Если трансформатор настроен в подключении WYE (Y), может также быть нейтральный терминал как с первичной, так и с вторичной стороны.
3-фазный трансформатор имеет три основных провода и три вторичных провода, если они подключены в конфигурации Delta-Delta или Delta-Wye.Если он подключен в конфигурации Wye-Wye или Wye-Delta, может быть дополнительный нейтральный провод на первичной стороне, вторичной стороне или обеих.Таким образом, он может иметь от трех до четырех проводов с каждой стороны, в зависимости от конфигурации и наличия нейтральных соединений.
3-фазная система использует три кабеля питания, каждый из которых несет одну фазу электрического снабжения.Если система включает в себя нейтральный провод, в общей сложности она будет иметь четыре кабеля.Для систем, которые включают в себя проволоку заземления (заземления), может быть в целом пять кабелей: трехфазные провода, один нейтральный провод и один заземляющий провод.
Если одна фаза 3-фазного трансформатора не удается, это может привести к нескольким проблемам.Трансформатор не сможет обеспечить сбалансированную трехфазную мощность, что приведет к несбалансированной нагрузке.Это условие может вызвать перегрев, увеличение тока на оставшихся фазах и возможный повреждение подключенного оборудования.Качество электроэнергии будет ухудшаться, что приведет к потенциальной неисправности или сбое устройств, которые полагаются на трехфазной мощности.Операторы заметят снижение производительности, повышение шума и возможную перегрузку электрической системы.
Наиболее распространенным 3-фазным соединением является соединение Delta-Wye (Δ-Y).В этой конфигурации первичная обмотка подключена в дельта -расположении, а вторичная обмотка подключена к расположению WYE.Эта установка широко используется, потому что она позволяет преобразовать напряжения и обеспечивает нейтральную точку для заземления, которая повышает безопасность и стабильность в системе электрического распределения.
Распределение энергии: они ценны в передаче и распределении электрической мощности на большие расстояния, снижение уровней напряжения для безопасного жилого, коммерческого и промышленного использования.
Промышленное оборудование: Многие промышленные машины и моторные приводы требуют трехфазной мощности для эффективной работы, что делает эти трансформаторы хорошими в промышленных условиях.
Системы HVAC: крупные системы отопления, вентиляции и кондиционирования воздуха часто используют трехфазную мощность для своих компрессоров и двигателей.
Системы возобновляемых источников энергии: они используются в настройках возобновляемой энергии, таких как ветряные и солнечные электростанции, для эффективного трансформации и распространения генерируемой энергии.
Электрические сетки: они играют роль в подстанциях и сетках, выходя из высоких напряжений передачи до более низких уровней распределения.
Пожалуйста, отправьте запрос, мы ответим немедленно.
на 2024/06/29
на 2024/06/28
на 8000/04/18 147758
на 2000/04/18 111947
на 1600/04/18 111349
на 0400/04/18 83722
на 1970/01/1 79508
на 1970/01/1 66916
на 1970/01/1 63075
на 1970/01/1 63012
на 1970/01/1 54081
на 1970/01/1 52143