
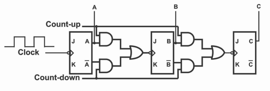
Рисунок 1: Счетчик вверх/вниз
Счетчик вверх/вниз или двунаправленный счетчик, контролирует и регулирует числовые значения как в направлениях вверх, так и вниз по входному сигналу.Эта двойная функциональность является основной в системах, которые требуют увеличения и уменьшения количества, динамически реагируя на изменения в операционной среде.Эти счетчики обычно начинаются с нуля и увеличиваются до тех пор, пока они не достигнут заранее определенного предела, который запускает действие в системе.В качестве альтернативы они могут начинаться с установленного максимального значения и уменьшаться до нуля, активируя аналогичный отклик при достижении нижней границы.

Рисунок 2: Модели TTL 74LS190
Например, модели TTL 74LS190 и 74LS191 являются общими версиями этого счетчика.Они оснащены входным выводом режима, который позволяет переключаться между подсчетом вверх и вниз.Этот переключатель режима происходит плавно, не прерывая последовательность подсчета.

Рисунок 3: 4-битный перерыв вверх/вниз
Типичный 4-битный и вниз-счетчик четко иллюстрирует эту эксплуатационную гибкость.При настройке для подсчета вверх, счетчик перемещается от двоичного значения с 0000 к 1111, охватывая все возможные комбинации в 4-битной системе (от 0 до 15 в десятичном значении).Переключение, чтобы отсчет вниз, обращает вспять этот процесс, уменьшаясь назад на 0000. Изменение между каждым номером происходит с точностью, контролируемое тактовым сигналом, которое приводит к синхронизации с требованиями синхронизации системы.

Рисунок 4: Фрегг-флоп D-типа
Каждый из четырех битов контролируется шлепанцем D-типа в настройке, вызванной краем.Эти шлепанцы работают вместе в цепочке, с выходом каждого шлепанца, питающейся в следующее.Чтобы обеспечить точный подсчет, счетчик использует инвертированный выход из каждого триггера в качестве обратной связи с его вводом данных, особенно во время количества нисходящего.Этот дизайн создает плавный, предсказуемый переход между числами.Состояние каждого флеш-флопа напрямую влияет на следующее, что обеспечивает надежный процесс подсчета и в последовательности.

Рисунок 5: 3-битный прилавок вверх/вниз
Конструкция схемы для 3-битного счетчика вверх/вниз использует эффективную настройку, в которой шлепанцы JK перенастроены как шлепанцы T-типа (переключатель).Эта модификация позволяет счетчику плавно переключаться между подсчетом от 0 (двоичный 000) до 7 (бинарно 111) и подсчета в обратном направлении.Простота этого дизайна повышает его функциональность и надежность.
В режиме подъема последовательность контролируется выходом из каждого триггера.В частности, выход «Q» одного триггера подключена непосредственно к входу тактового сигнала следующего шлепанца.Эта настройка гарантирует, что каждый шлепанцы переключаются в ответ на тот, который перед ней.По мере получения часовых импульсов, счетчик увеличивает один шаг за один раз, начиная с 000 и перемещение последовательно до 111. Эта прямая связь между фрук-флопами обеспечивает плавную и логическую прогрессию во время фазы подъема, с каждой перевернутой.Состояние Флопа сменит следующую в очереди.
Когда счетчик настроен на то, чтобы отсчитать, механизм меняется.Вместо того, чтобы использовать прямые выходы «Q», система опирается на перевернутые выходы каждого триггера.Эти инвертированные сигналы подают в входы часов следующих шлепанцев, в результате чего счетчик уходит вниз контролируемым, последовательным образом.Каждый тактовой импульс теперь запускает уменьшение бинарной последовательности, от 111 назад до 000. Этот метод гарантирует, что переходы остаются упорядоченными, избегая любых нарушений в процессе подсчета.
Работа счетчика вверх/вниз управляется входным сигналом вверх/вниз, который непосредственно устанавливает направление подсчета.Этот вход гарантирует, что счетчик либо отсчитает, либо вниз, но никогда не оба одновременно.Система достигает этой эксклюзивности, используя инвертор, который переворачивает контрольный сигнал, следя за тем, чтобы только один режим подсчета был активен в любой заданный момент.
Режим подсчета: Когда счетчик установлен для подсчета, активируется определенный набор логических ворот.Эти ворота направляют счетчик через пошаговую прогрессию, начиная с бинарного 000 и продвигаясь до 111 (или от 0 до 7 в десятичном значении).Каждый тактовой импульс запускает прыжок к следующему бинарному номеру, поддерживая гладкую и предсказуемую последовательность.Конструкция гарантирует, что счетчик следует четкой и последовательной шаблоне, придерживаясь стандартных правил бинарного прогресса.
Режим подсчета вниз: Переключение счетчика, чтобы отсчет, приводит к тому, что схема адаптируется контролируемым образом.Логические ворота, которые управляют количеством вверх, теперь выключены, в то время как другой набор ворот вступает во владение, чтобы справиться с процессом подсчета вниз.В этом режиме система опирается на инвертированные сигналы, которые протекают через шлепанцы, которые отвечают за контроль обратного отсчета.Поскольку часы продолжаются, счетчик отслеживает с 111 до 000, так же гладко и надежно, как он считается вверх.Это изменение в работе показывает способность счетчика эффективно обрабатывать оба направления.
Способ вверх/вниз по взаимодействию с часовыми импульсами дает ценную информацию об их способности управлять временем и контролем последовательностей.В асинхронном счетчике каждый тактовой импульс напрямую влияет на состояния шлепанцев счетчиков, управляя процессом подсчета.
В типичном режиме понижения счетчик может начинаться с двоичного значения 111 (что равно 7 в десятичном значении).Система реагирует на отрицательный край каждого тактового импульса, вызывая изменение выхода первого триггера (QA).Затем это изменение запускает каскадный эффект, когда выходной сигнал влияет на следующий триггер (QB) и в конечном итоге влияет на третий триггер (QC).По мере появления каждого тактового импульса этот каскад продолжается, снижая подсчет шага за шагом с 7 до 0. Каждый триггер влияет на последовательность предыдущей, гарантируя, что подсчет прогрессирует плавно и предсказуемо.
Во время подъема процесс немного отличается.Здесь выход каждого триггера запускает следующий триггер в линии.Начиная с 000 (двоичный 0), каждый тактовой импульс увеличивает счетчик, с первым триггером фруггера, вызванным вторым, а второй запускает третье.Этот процесс продолжается до тех пор, пока счетчик не достигнет 111 (бинарный 7).Каждый восьмой тактовой импульс завершает цикл подсчета, после чего счетчик сбрасывается обратно до 000 и начинается снова.Это обеспечивает постоянный и повторяющийся цикл, который поддерживает точное время.
IC 74193-это универсальный 4-битный синхронный бинарный счетчик вверх/вниз, способный подсчитать в обоих направлениях, вплоть до модуля-16.Он использует двойные тактовые входы - один для подсчета, а один для подсчета - отдавая точный контроль над направлением подсчета.Этот дизайн гарантирует, что вывод счетчика остается в идеальной синхронизации с сигналами входных часов, повышая точность и отзывчивость в его операциях.
Ключевой особенностью IC 74193 является его мастер -штифт сброса.Этот вывод мгновенно очищает текущее количество, устанавливая все выходы на ноль.Это особенно полезно во время тестирования системы или когда вам нужно перезагрузить счетчик в известном состоянии.Это делает реконфигурирование или устранение неполадок систем быстрее и эффективнее.Кроме того, IC имеет выделенные терминалы подсчета и отряда, что еще больше повышает его гибкость, что делает его подходящим для различных приложений цифрового подсчета, где необходим точный контроль.

Рисунок 6: 74193 ИК
Расписка сейут 74193 IC предназначена для максимальной функциональности.Он включает в себя входные контакты, которые позволяют пользователям предусматривать счетчик, чтобы начать с определенного значения, которое идеально подходит для пользовательских приложений, которые требуют определенных начальных состояний.Выходные контакты обеспечивают обратную связь в реальном времени по текущему количеству, что позволяет легко контролировать или интегрировать счетчик в более крупные системы, которые нуждаются в живых обновлениях.Примечательной особенностью IC 74193 является выходной штифт переноса Ripple.Этот штифт позволяет легко расширить емкость счетчика путем соединения (или каскадного) нескольких ICS.Используя эту функцию, вы можете создавать счетчики высокого порядка, которые обрабатывают большие количества, что подходит для более продвинутых цифровых систем, которые требуют более высокой точной или большей диапазоны подсчета.
IC 74193 - это универсальный компонент, используемый для создания гибких цепей подсчета, которые можно настроить для широкого спектра приложений.По своей сути он работает надежно, подключая контакт 16 к VCC, обеспечивая стабильный источник питания.Это соединение используется для поддержания постоянной работы в любой системе.IC 74193 разработан с несколькими входными контактами, которые позволяют настраивать различные режимы работы.Одной из ключевых функций является его параллельная нагрузка активной низкой нагрузки, который дает пользователям возможность начать подсчет из любого заданного значения.Эта функция особенно полезна, когда требуется точный контроль над последовательности подсчета, так как она позволяет счетчику прыгать до определенного значения перед запуском подсчета.
Основным преимуществом IC 74193 является его способность легко переключаться между режимами подсчета вверх и вниз.Это может быть сделано, вносят простые корректировки соответствующих булавок.Возможность переключаться между этими режимами без сложных конфигураций делает IC очень гибким, что позволяет ему легко выполнять как основные, так и более сложные задачи.
Учитывание и прилавки вниз служат разным целям в зависимости от их направлений подсчета.Счетчик UP начинается с нуля и приращена к установленному пределу, что делает его хорошо подходящим для задач, которые требуют прогресса отслеживания в прямой последовательности.Примеры включают в себя такие приложения, как отслеживание времени или секвенирование событий, где каждый шаг движется вверх линейным образом, пока не будет достигнуто целевое значение.
С другой стороны, счетчик вниз начинается с определенного максимального значения и считается вниз до нуля.Этот тип счетчика особенно полезен в сценариях, где вам нужно отслеживать процесс в обратном направлении.Общее использование включает таймеры обратного отсчета, где оставшееся время отслеживается по мере его уменьшения, или отслеживание ресурсов, где вы следят за тем, сколько ресурса остается по мере его потребления.
Счетчики вверх/вниз высоко ценится за их простую конструкцию и синхронную работу, что делает их полезными в системах, которые требуют быстрого и надежного подсчета.Их способность подсчитать как вверх, так и вниз обеспечивает гибкий контроль, что особенно полезно в приложениях, где определяются точность времени и быстрые ответы.Будь то для отслеживания событий, хронометражных или управляющих ресурсов, эти счетчики обеспечивают простое и эффективное решение в различных цифровых системах.
Их дизайн обеспечивает плавные и предсказуемые переходы между состояниями, что делает их идеальными для приложений в реальном времени.Например, они обычно используются в счетчиках событий, таймеров или системах, которые нуждаются в последовательном подсчете в любом направлении, таких как в промышленной автоматизации или цифровых часах.
Несмотря на их сильные стороны, счетчики вверх/вниз могут столкнуться с проблемами на более высоких скоростях.По мере увеличения тактовой скорости задержки распространения становятся более заметными, что может привести к ошибкам подсчета.Эти задержки возникают из-за того, что сигнал занимает больше времени, чтобы пройти через каждую стадию счетчика, снижая точность времени системы, особенно в высокоскоростных средах.
Другое ограничение возникает по мере роста размер стойки.Большие счетчики, которые обрабатывают более высокие числа, добавляют сложность в систему.Это увеличение сложности может вводить проблемы с синхронизацией или неточные подсчеты, особенно когда в более крупной цифровой схеме подключены несколько счетчиков.Системы, которые полагаются на точную синхронизацию в нескольких прилавках, таких как крупномасштабные цифровые системы, могут испытывать глюки или неточности, если дизайн не будет тщательно управляется.
Учитчики вверх/вниз широко используются во многих промышленных и технологических применениях из -за их способности считать в обоих направлениях.

Рисунок 7: Механизмы автоматического возврата
Одним из наиболее значительных применений прилавков вверх/вниз является механизмы автоматического возвращения.В таких системах, как конвейерные ремни или управление двигателем, эти счетчики обеспечивают двунаправленное подсчет, что позволяет точно управлять механическими движениями.Например, они гарантируют, что машины могут плавно переключать направления, когда это необходимо, улучшая управление производственными процессами.

Рисунок 8: Управление временем и сигналами
Счетчики вверх/вниз также играют важную роль в цепях дивизии часов, где они управляют интервалами времени, чтобы поддерживать цифровые сигналы должным образом.В этих системах счетчик делит такточный сигнал на меньшие интервалы, обеспечивая синхронизацию всю цепь.Это серьезно в цифровых устройствах, которые полагаются на точное время сигнала для правильного функционирования, таких как процессоры или системы связи.

Рисунок 9: Системы парковки транспортных средств
Другое практическое применение - в системах парковки транспортных средств, где стойки вверх/вниз отслеживают доступные парковочные места.Каждый раз, когда автомобиль входит или выходит, счетчик регулирует счет, чтобы отразить количество открытых пятен.Это автоматическое отслеживание улучшает управление пространством и повышает общую эффективность парковочных средств, предоставляя точные, в режиме реального времени данные о уровнях занятости.

Рисунок 10: Частотное разделение в цифровой электронике
В области цифровой электроники, счетчики вверх/вниз служат разделителям частоты, разбивая входную частоту на более мелкие, более управляемые.Это особенно важно в системах обработки сигналов и связи, где различные компоненты требуют точного контроля частоты.Модулируя входные частоты, эти счетчики обеспечивают плавную работу между устройствами, которые полагаются на точное время сигнала и модуляцию.
На протяжении всей статьи сложность и универсальность счетчиков вверх/вниз были тщательно проанализированы, демонстрируя их полезную роль в проектировании цифровых цепей.Подробное исследование в различных моделях, таких как IC 74193, подчеркивает адаптивность и точность, которые эти компоненты предлагают цифровым системам.Сравнивая счетчики вверх и вниз, обсуждение подчеркивает их конкретные преимущества в различных приложениях, от простого подсчета событий до сложного частотного разделения.Кроме того, в статье рассматриваются потенциальные ограничения, такие как задержки распространения и проблемы синхронизации, обеспечивая понимание эффективных соображений проектирования, которые могут повысить надежность системы.Раздел расширенного применения подтверждает необходимую полезность прилавков в области контроля точности и управления сигналами, доказывая, что счетчики вверх/вниз являются основополагающими для продвижения и эффективности современной технологической инфраструктуры.Этот подробный экзамен не только подчеркивает эксплуатационные нюансы прилавков вверх/вниз, но и их значительное влияние на проектирование и функциональность современных цифровых систем.
74193 представляет собой конкретный тип интегрированной схемы (IC), разработанной как синхронный счетчик вверх.Он может считать в обоих направлениях: увеличение (вверх) и уменьшение (вниз).Он имеет 4-битный двоичный выход и может быть настроен для подсчета в любой последовательности в пределах 4-битного диапазона.Операторы обычно используют его в приложениях, где требуется обратимый подсчет, например, в цифровых часах или счетчиках событий в промышленных системах.
IC 74192 является еще одной моделью синхронного счетчика вверх.В отличие от 74193, 74192 предназначен для подсчета или вниз до десятилетия (от 0 до 9 или 9 до 0) и, таким образом, является счетчиком десятилетия.Он используется там, где необходимо отображать или рассчитать в десятичной, а не бинарной форме, например, в калькуляторах или цифровых счетчиках.
Счетчик вниз работает, изменяя свое состояние с каждым импульсом с ввода часов, подсчета или вниз в зависимости от выбранного режима.Каждый импульс приводит к увеличению или уменьшению выхода счетчика или уменьшению на одну единицу.В практических приложениях техники могут использовать эти счетчики для измерения частоты и интервалов времени или определять положение в механических системах, отслеживая количество вперед или обратное движения.
Общие числа IC для прилавков вниз включают 74193 и 74192, как обсуждалось выше.Эти цифры являются частью серии цифровых логических ICS 7400, что указывает на то, что они предназначены для цифровых задач среди других функций.
Интегрированные схемы (ICS), используемые в счетчиках, включают различные типы, основанные на потребностях подсчета.Обычно используемые ICS являются 74193 и 74192 для бинарного и десятичного подсчета соответственно.Другие могут включать 4029, который представляет собой программируемый счетчик вниз, подходит для более сложных приложений, где необходимы предустановленные пределы подсчета и несколько режимов подсчета.В практических сценариях, таких как производственные линии или цифровые системы, эти ИКС помогают поддерживать точное количество операций или объектов.
Пожалуйста, отправьте запрос, мы ответим немедленно.
на 2024/09/21
на 2024/09/20
на 8000/04/18 147758
на 2000/04/18 111946
на 1600/04/18 111349
на 0400/04/18 83722
на 1970/01/1 79508
на 1970/01/1 66916
на 1970/01/1 63074
на 1970/01/1 63012
на 1970/01/1 54081
на 1970/01/1 52143