А 2N6488 Транзистор, удерживаемый в пластиковом корпусе до 220, распознается за его надежное использование в линейных и низкочастотных настройках.Этот пакет предпочитается в отрасли, объединяя практичность и эффективность, подходящую для разнообразных ситуаций.Конструкция поддерживает эффективное рассеяние тепла, влияя на долговечность и функцию транзисторов.2N6488 процветает в линейных приложениях из -за его надежной сборки и тепловых возможностей.Он обеспечивает последовательное управление током и напряжением для стабильности в цепях.Эта надежность сияет в аудио -усилителях и регулируемых источниках питания, где требуется различные нагрузки без потери производительности.
В низкочастотных задачах 2N6488 демонстрирует впечатляющую адаптивность и производительность.Его способность обрабатывать сигналы с минимальными искажениями подчеркивает ее прочность.Управление тепловыми выводами является центральным при работе с 2N6488.Использование эффективных радиаторов и тепловых соединений помогает оптимизировать теплопередачу.Это необходимо для предотвращения перегрева, что может ухудшить функциональность и уменьшить продолжительность жизни компонента.Новое представление в этой области - это адаптация традиционных компонентов, таких как 2N6488 для инновационного использования.По мере развития технологий, включение их в гибридные, энергоэффективные системы является трендом.Этот метод использует установленную надежность 2N6488 при удовлетворении современных потребностей в устойчивости и энергоэффективности.
• 2N60
• 2N600
• 2N6000
• 2N6001
• 2N6002
• 2N6491




Транзистор 2N6488 может похвастаться заметным усилением тока DC наряду с впечатляющей пропускной способностью.Эти качества повышают свою эффективность в сценариях, требующих высокого уровня амплификации звука и плавного переключения.Многие часто восхищаются этими атрибутами, чтобы минимизировать искажение сигнала в сложных системах, обеспечивая ясность и точность.
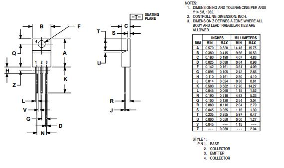
Заключенный в обтеканный пакет-220, 2N6488 способствует тепловой эффективности и простой установке.Его структура искусно облегчает рассеивание тепла для предотвращения перегрева в мощных применениях.Многие предпочитают этот пакет своей искусственной обработкой тепла и компактной формы.
2N6488 соответствует стандартам ROHS, подчеркивая дизайн, внимательный к экологическому благополучию, минимизируя вредные вещества.С растущим важным значением в современных инновациях продуктов это выравнивание дополняет глобальные экологические цели.
Предлагая напряжение разбивки с коллекционером-эмиттер 80 В, 2N6488 стоит устойчиво в высоковольтных настройках.Эта характеристика приносит признательность, когда надежная производительность под давлением является обязательным условием.Промышленность часто выбирает такие компоненты для их способности выдержать существенные изменения напряжения.
Транзистор 2N6488 выделяется в аудиосистемах, где он играет роль в усилении мощности.Он обеспечивает замечательную производительность во время управления динамиками и аудиокомпонентами, эффективно управляя уровнями тока и напряжения.Это обеспечивает звук, который является одновременно ясным и свободным от искажений.Аудио часто предпочитает транзисторы, такие как 2N6488 для создания схем усилителей класса AB.Они ценят его способность обеспечивать постоянную тепловую стабильность и эффективно рассеивать тепло, повышая качество звука.
Установка устойчивости в низкочастотных переключениях, универсальность 2N6488 становится очевидной.Он часто используется в цепях, требующих точного контроля, например, в двигательных драйверах и других электромеханических системах.Многие выбирают транзисторы, такие как 2N6488, могут достичь устойчивой производительности в средах, где долгосрочная надежность является основным фактором.
|
Тип |
Параметр |
|
Статус жизненного цикла |
Устарел (последний обновлен: 3 дня назад) |
|
Пакет / корпус |
До-220AB |
|
Пакет устройства поставщика |
До-220AB |
|
Cury-Collector (IC) (макс) |
15A |
|
Рабочая температура |
-65 ° C до 150 ° C TJ |
|
Опубликовано |
2007 |
|
Уровень чувствительности влаги (MSL) |
1 (неограниченный) |
|
МИН рабочая температура |
-65 ° C. |
|
Максимальная диссипация власти |
1,8 Вт |
|
Базовый номер детали |
2N6488 |
|
Конфигурация элемента |
Одинокий |
|
Получить продукт полосы пропускания |
5 МГц |
|
Напряжение излучателя коллекционера (VCEO) |
3,5 В. |
|
DC ток усиление (HFE) (min) @ IC, VCE |
20 @ 5A 4V |
|
Vce saturation (max) @ ib, ic |
3,5 В @ 5a, 15a |
|
Частота - переход |
5 МГц |
|
Напряжение базового излучения (Vebo) |
5 В |
|
Свободно привести |
Содержит свинец |
|
Монтажный тип |
Через дыру |
|
Количество булавок |
3 |
|
Напряжение разбивки коллекционера-эмиттер |
80 В |
|
hfe/min |
20 |
|
Упаковка |
Трубка |
|
Статус частично |
Устаревший |
|
Максимальная рабочая температура |
150 ° C. |
|
Напряжение - рейтинг DC |
80 В |
|
Текущий рейтинг |
15A |
|
Полярность |
Npn |
|
Сила - Макс |
1,8 Вт |
|
Тип транзистора |
Npn |
|
Макс Коллекторный ток |
15A |
|
Ток - срез коллекционера (макс) |
1MA |
|
Напряжение - разбивка излучателя коллекционера (макс) |
80 В |
|
Базовое напряжение коллекционера (VCBO) |
90В |
|
Статус ROHS |
Не совместимый с ROHS |
|
Часть
Число |
Производитель |
Упаковка |
Полярность |
Коллекционер эмиттер
Напряжение |
Напряжение - излучатель коллекционера
Разбивка (макс) |
Макс Коллекторный ток |
Частотный переход |
Коллекционер эмиттер насыщенность
Напряжение |
Hfe Min |
|
2N6488 |
На полупроводнике |
До 220-3 |
Npn |
80 В. |
80 В |
15 а |
5 МГц |
3,5 В. |
20 |
|
BD243B |
На полупроводнике |
До 220-3 |
Npn |
80 В. |
80 В |
3 а |
3 МГц |
1,2 В. |
25 |
|
TIP31B |
На полупроводнике |
До 220-3 |
Npn |
80 В. |
80 В |
6 а |
- |
1,5 В. |
15 |
|
BDW42 |
На полупроводнике |
До 220-3 |
Npn |
100 В. |
- |
15 а |
4 МГц |
- |
- |

На полупроводнике предоставляет решения, которые являются как инновационными, так и внимательными к использованию энергии, выпуская лидирующую позицию в области электроники.Его обширный охват по всему миру поддерживает различные приложения, включая автомобильную, промышленную и потребительскую электронику.Это широкое влияние удерживает компанию у руля технологического прогресса.Поскольку мы смотрим в будущее, размышляя о том, как на полупроводнике может сбалансировать постоянные инновации с устойчивостью, интригует.Это взаимодействие быстрого роста технологий и экологического управления создает как препятствия, так и новые пути.Необходимость фирмы в прогнозировании и адаптации к будущим тенденциям отрасли будет определять его долгосрочный успех.
Несколько устройств 19/Jun/2009.pdf
Tip31 (a, b, c), tip32 (a, b, c) .pdf
Пожалуйста, отправьте запрос, мы ответим немедленно.
на 2024/10/29
на 2024/10/29
на 8000/04/18 147758
на 2000/04/18 111948
на 1600/04/18 111349
на 0400/04/18 83722
на 1970/01/1 79508
на 1970/01/1 66916
на 1970/01/1 63076
на 1970/01/1 63012
на 1970/01/1 54081
на 1970/01/1 52144