

|
PIN -код |
Название вывода |
Описание |
|
1 |
Получить (-rg) |
Терминал инвертирования усиления, подключенный к резистору к усилению установки
ценить |
|
2 |
Инвертирующий вход (In-) |
Инвертирующий входной штифт OP-AMP |
|
3 |
Не инвертирующий вход (в+) |
Не инвертирующий входной контакт усилителя |
|
4 |
Власть (-vs) |
Негативное терминал |
|
5 |
Ссылка |
Выходной ссылочный вход.Обычно подключен к общему |
|
6 |
Выход |
Усилитель выходной штифт |
|
7 |
Сила (+против) |
Положительный терминал |
|
8 |
Получите (+RG) |
Не инвертирующий терминал усиления, подключенный к резистору к установке
получить значение |
|
Функция/спецификация |
Подробности |
|
Тип |
Усилитель железнодорожного достоверного прибора |
|
Напряжение снабжения |
Работает с одному двойным напряжениям питания |
|
Эксплуатационный ток (макс) |
550 мкА |
|
Диапазон усиления |
От 1 до 1000 |
|
Пропускная способность |
800 кГц |
|
Настройка усиления |
Установите усиление только с одним резистором |
|
Параметры пакета |
8-контактный PDIP, SOIC и VSSOP |
• INA333
• LM4871
• AD620
• IC6283
• JRC4558
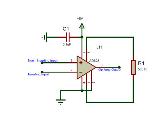
Настройка AD623 является относительно простым процессом, в первую очередь, включающий выбор резистора для определения его усиления.Эта простота является одним из привлекательных аспектов AD623, что делает его доступным для вас.Типичная конфигурация влечет за собой подключение IC к одному источнику питания +5V при заземлении PIN 4. В сценариях, требующих двойных конфигураций питания, PIN 4 должен подключаться к отрицательному напряжению, тем самым расширяя диапазон приложений обработки сигналов.

Входные сигналы применяются к не инвертирующему (контакту 2) и инвертирующим (контакту 3), в то время как эталонный штифт (контакт 5) часто заземлен.Заземление этого вывода гарантирует, что выходное напряжение правильно выравнивается, когда нет различий между входными сигналами, что минимизирует потенциальные ошибки в интерпретации сигнала.Эта практика воплощает в себе конечный принцип в конструкции схемы: поддержание стабильной точки отсчета является динамичным для точных измерений и надежных производительности.
Регулировка усиления AD623 достигается путем размещения резистора между выводом 8 (RG) и выводом 1.Для удовлетворения конкретных потребностей приложения.

Кроме того, вы можете рассчитать усиление, используя предоставленную формулу или эталонную диаграмму, размещая различные значения резистора.Такая адаптируемость в основном выгодно в реальных сценариях, когда уровни сигналов могут значительно колебаться.
|
1% значения таблицы STD RG (ω) |
Рассчитанное усиление |
0,1% Значение таблицы STD RG
(Ω) |
Рассчитанное усиление |
|
49,9K |
1.990 |
49,3K |
2.002 |
|
12,4K |
4.984 |
12,4K |
4.984 |
|
5,49k |
9.998 |
5,49k |
9.998 |
|
2.61K |
19.93 |
2.61K |
19.93 |
|
1,00K |
50.40 |
1,01K |
49,91 |
|
499 |
100 |
499 |
100.0 |
|
249 |
199.4 |
249 |
199.4 |
|
100 |
495 |
98.8 |
501.0 |
|
49,9 |
991 |
49,3 |
1 003 |
AD623 исключительно подходит для разнообразного диапазона чувствительных к электроэнергии.Его коммунальное оборудование охватывает калибровку и тестирование, низкодолетние медицинские приборы, дифференциальные усилители, системы сбора данных и системы управления.Дизайн AD623 подчеркивает как эффективность, так и точность, что делает его предпочтительным вариантом в сценариях, где эти качества значительно влияют на производительность.
В средах калибровки и тестирования низкие характеристики AD623 и высокая точность выделяются как серьезные преимущества.Эти функции позволяют точно измерения, которые играют динамическую роль в подтверждении надежности различных инструментов.Например, во время калибровки датчика поддержание целостности сигнала при минимизации энергопотребления способствует более эффективной и устойчивой практике тестирования.Этот аспект имеет особое значение в лабораториях, где оборудование часто используется постоянно, а энергоэффективность может привести к существенному снижению эксплуатационных затрат.
Медицинский сектор все чаще ищет устройства, которые обеспечивают точные показания, используя минимальную мощность.AD623 эффективно решает этот спрос, обеспечивая потребление с низким энергопотреблением, не жертвуя производительностью.В таких приложениях, как портативное диагностическое оборудование и носимые мониторы здоровья, способность эффективно работать на ограниченных источниках электроэнергии повышает подвижность и комфорт пациентов.Кроме того, интеграция такой технологии в обычный мониторинг здоровья может значительно улучшить результаты пациентов, поскольку постоянный мониторинг становится более осуществимым и доступным.
В сценариях, требующих измерения небольших сигналов среди шума, дифференциальные усилители играют важную роль.AD623 превосходит в этом домене, предлагая исключительное отклонение общего режима и высокий входной импеданс.Эти характеристики гарантируют, что усилитель может точно обрабатывать сигналы из различных источников, включая датчики деформации и датчики температуры, обычно используемые в промышленных и исследовательских контекстах.Включив AD623, вы можете разработать системы, которые не только повышают надежность, но и предоставляют точные данные в сложных средах.
AD623 является основным для систем сбора данных, способствуя точному сбору и обработке аналоговых сигналов.Его эффективная работа при низкой мощности делает его в основном подходящим для устройств с аккумулятором, которые все чаще распространены в приложениях удаленного мониторинга.Слияние таких систем с расширенным аналитикой данных может привести к более информированному принятию решений, особенно в таких областях, как мониторинг окружающей среды и интеллектуальное сельское хозяйство.Понимание из этих систем может вызвать инновации и улучшения в различных секторах.
В системах управления процессами характеристики AD623 позволяют реагировать и точное управление процессами.Эта возможность особенно используется в автоматизации и промышленных приложениях, где доминирующая обработка данных.Низкое энергопотребление усилителя способствует общей эффективности систем управления, что обеспечивает устойчивые операции.Поскольку отрасли промышленности продолжают принимать автоматизацию, важность эффективных и точных компонентов, таких как AD623, станет ключевой в продвижении достижений и расширения эксплуатационных возможностей.

Пожалуйста, отправьте запрос, мы ответим немедленно.
на 2024/12/26
на 2024/12/26
на 8000/04/18 147758
на 2000/04/18 111946
на 1600/04/18 111349
на 0400/04/18 83722
на 1970/01/1 79508
на 1970/01/1 66916
на 1970/01/1 63072
на 1970/01/1 63012
на 1970/01/1 54081
на 1970/01/1 52142