
А CD4007 Интегрированная схема (IC) является основой в современной электронике из-за его состава из трех пар комплементарных N-канальных и P-канальных транзисторов MOS.Эти пары транзисторов предлагают замечательную универсальность, так как их можно использовать в конфигурациях как серии, так и в шунтировании, обеспечивая индивидуальные решения для различных потребностей в конструкции цепи.Более того, CD4007 легко взаимодействует с несколькими типами устройств.
• CMOS (комплементарный металл-оксид-полупроводник)
• NMOS (N-канальный металл-оксид-полупроводник)
• TTL (логика транзистора-транзистора)
CD4007 светится в сценариях, требующих низкого теплового рассеяния и существенного шумового иммунитета.Он искусно управляет уровнями напряжения, сохраняя их между напряжением питания (VDD) и землей (VSS) в пределах узкого запас 0,3 В.Этот точный контроль напряжения играет важную роль в приложениях, которые определяют приоритеты минимизации потери мощности и поддержания целостности сигнала.
Стоящая защита IC от электростатического разряда (ESD) является еще одним заметным атрибутом.Анализируя вредное влияние ESD на электронные компоненты, CD4007 оснащен диодами зажима между дренажным напряжением (VD) и землей (VSS).Эти диоды быстро поглощают всплывающие пики напряжения, защищая входы от статического электричества, что является основной особенностью для компонентов, регулярно подвергающихся воздействию переменных статических условий во время обработки и работы.

|
Булавка № |
Название вывода |
Описание |
|
1 |
2DP |
Стечение канала P 2 |
|
2 |
2sp |
Источник P -канала 2 |
|
3 |
2A |
Входной канал 2 |
|
4 |
2SN |
Источник N -канала 2 |
|
5 |
2dn |
Слив N -канала 2 |
|
6 |
1A |
Входной канал 1 |
|
7 |
VSS |
Источник источника |
|
8 |
1dn |
Слив N -канала 1 |
|
9 |
3SN |
Источник 3 канала 3 |
|
10 |
3A |
Входной канал 3 |
|
11 |
3sp |
Источник 3 канала 3 |
|
12 |
3Y |
Выход |
|
13 |
1dp |
Слив канала P 1 |
|
14 |
Vdd |
Дренаж |


|
Тип |
Параметр |
Ценить |
|
Устанавливать |
Монтажный тип |
Поверхностное крепление |
|
Пакет / корпус |
14 Soic (0,154, ширина 3,90 мм) |
|
|
Количество булавок |
14 |
|
|
Пакет устройства поставщика |
14 лет |
|
|
Условия эксплуатации |
Рабочая температура |
-40 ° C до 85 ° C. |
|
Максимальная рабочая температура |
85 ° C. |
|
|
МИН рабочая температура |
-40 ° C. |
|
|
Электрические характеристики |
Напряжение снабжения |
3 В до 15 В. |
|
Максимальное напряжение снабжения |
15 В |
|
|
Мин напряжения питания |
3В |
|
|
Задержка распространения |
50 нс |
|
|
Спецификации дизайна |
Ряд |
4000b |
|
Логическая функция |
Инвертор |
|
|
Логический тип |
Дополнительная пара плюс инвертор |
|
|
Количество схем |
2 |
|
|
Количество битов |
3 |
|
|
Количество входных строк |
3 |
|
|
Количество выходных линий |
3 |
|
|
Базовый номер детали |
4007 |
|
|
Полярность |
Инвертирование |
|
|
Дополнительные детали |
Упаковка |
Трубка |
|
Статус частично |
Устаревший |
|
|
Уровень чувствительности влаги (MSL) |
1 (неограниченный) |
|
|
Статус ROHS |
ROHS COMPARINT |
|
|
Свободно привести |
Свободно привести |
|
|
Опубликовано |
1999 |
|
Особенность |
Описание |
|
Широкий диапазон напряжений питания |
3,0 В до 15 В. |
|
Иммунитет высокого шума |
0,45 VCC (тип.) |
|
Тестирование в состоянии покоя |
100% протестировано при 20 В |
|
Симметричные выходные характеристики |
Стандартизированное, обеспечивая надежный выход |
Интегрированная схема CD4007, известная своей адаптируемостью и надежной производительностью, находит различные приложения по различным электронным конструкциям.
CD4007 является искусным в конструировании цепей заточки сигналов, необходимых компонентов цифровых систем, где точные сигналы являются авторитетными для точного времени и функциональности.Эти точилки уточняют шумные сигналы в чистые, четко определенные импульсы, используемые в системах связи, чтобы избежать ошибок времени и повреждения данных.Вы можете наблюдать, что включение CD4007 повышает целостность сигнала, обеспечивая стабильную передачу данных.
В мире цифровой электроники инверторы служат конечными компонентами.При правильной настройке CD4007 функционирует как высокоэффективный инвертор, восхищающийся своим низким энергопотреблением и надежной производительности, что делает его идеальным для крупномасштабных интеграционных приложений.Вы можете заметить, что CD4007 обеспечивает постоянную производительность в сложных логических схемах и микропроцессорах, что значительно способствует стабильности и надежности схемы в проектировании цифровой логики.
Пороговые детекторы определяют, превышает ли входной сигнал определенное значение и активен в системах автоматизации и безопасности.Используя CD4007, эти детекторы работают с высокой точностью и минимальным количеством компонентов.Эта эффективность в основном оценивается в системах управления, где точное обнаружение порога обеспечивает соответствующие системы системных ответов на различные входные уровни.Фактические приложения демонстрируют CD4007 повышение безопасности и эффективности работы с надежным обнаружением порога.
Линейные усилители усиливают небольшие сигналы без искажений формы волны, а CD4007 при настройке в виде линейного усилителя обеспечивает стабильное и нетронутое усиление сигнала.Это доминирует в приложениях аудио и приборов, где верность сигнала серьезной.Вы можете оценить CD4007 за поддержание целостности сигнала на протяжении всего усиления, что подтверждает его незаменимость в чувствительной аналоговой схеме.
Кристаллические осцилляторы, которые зависят от стабильной частоты выхода через контролируемые кристаллические колебания, часто используют CD4007 для поддержания согласованности в параметрах колебаний.Эта стабильность активна в устройствах ГРМ и коммуникационного оборудования.Вы можете использовать CD4007, успешно разработали кристаллические осцилляторы, которые демонстрируют высокую стабильность, обеспечивая надежность и точность, настойчивые точные электронные применения.Такие стабильные генераторы играют ключевую роль в повышении производительности в этих областях.
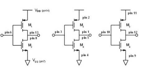
Пакет CD4007 может похвастаться возможностью генерировать до трех инверторов, предлагая универсальный инструмент для различных применений схемы.Конечная установка инвертора включает соединение контактов 8 и 13 для вывода, причем вывод 6 выступает в качестве входа.Пестонал 14 (VDD) должен быть подключен к источнику питания.PIN 7 (VSS) должен быть связан с землей.Дополнительные инверторы могут быть организованы для удовлетворения конкретных требований.

Контакты 2 (VDD) и 4 (VSS) служат в качестве подключения к питанию.Контакты 1 и 5 образуют выход.Вывод 3 - это вход.PIN 11 подключается к VDD.PIN 9 связан с VSS.PIN 12 служит выходом.PIN 10 обеспечивает вход.

На полупроводнике (NASDAQ: ON) известен своими энергоэффективными инновациями, помогая глобальным клиентам в их стремлении снизить потребление энергии.Компания предоставляет широкий спектр решений в различных секторах, включая автомобильную, коммуникационную и потребительскую электронику.
Широкий ассортимент продукции компании служит столпом ее рыночной известности.На полупроводнике обеспечивает адаптируемые и надежные решения, адаптированные к уникальным требованиям различных отраслей.В автомобильном секторе их продукция значительно повышает эффективность и безопасность транспортных средств, что приводит к лучшей экономии топлива и обеспечению более плавной и более безопасной поездки.В потребительской электронике предложения компании предназначены для максимизации производительности устройства и продления срока службы батареи.
На эффективном управлении цепочками поставок Semiconductor гарантирует постоянную своевременную доступность своей продукции для удовлетворения глобального спроса.Обширная сеть объектов и офисов компании, стратегически расположенная на опасных рынках по всей Северной Америке, Европе и Азиатско-Тихоокеанском регионе, позволяет ей быстро реагировать на потребности на рынке и потребности клиентов.
|
Номер части |
Производитель |
Пакет / корпус |
Количество булавок |
Логическая функция |
Количество схем |
Количество выходных линий |
Задержка распространения |
Мин напряжения питания |
Напряжение снабжения |
Посмотреть сравнение |
|
CD4007CM |
На полупроводнике |
14 Soic (0,154, ширина 3,90 мм) |
14 |
Инвертор |
2 |
3 |
50 нс |
3 В |
3 В ~ 15 В. |
CD4007CM |
|
MC14007UBD |
На полупроводнике |
14 Soic (0,154, ширина 3,90 мм) |
14 |
- |
- |
- |
18 нс |
- |
5 В |
MC14007UBD |
|
SN74HCT04DR |
Техасские инструменты |
14 Soic (0,154, ширина 3,90 мм) |
14 |
Инвертор |
- |
- |
55 нс |
3 В |
3v ~ 18v |
SN74HCT04DR |
Цилиндрические держатели батареи.pdf
CD4007 - это универсальный IC, который инженеры могут использовать для нескольких целей.Он может сформировать цепь из трех инверторов, инвертор с двумя воротами передачи или более сложными логическими воротами.Инверторы и ворота передачи играют серьезную роль в строительстве цифровых систем, таких как D-флайки.Признание гибкости CD4007 позволяет разработать пользовательскую схему без хлопот использования нескольких ICS.Возможность реконфигурировать один и тот же IC для различных использующих использование не только сохраняет пространство на печатных платах, но и оптимизирует процесс проектирования.Эта адаптивность делает его заветным инструментом как в академической, так и в промышленной среде.
IC CD4007 часто ценится за его различные применения, низкое тепловое рассеяние и впечатляющий иммунитет шума.Он работает между VSS при -0,3 В и VDD при +0,3 В.Правильное управление напряжением является основным для поддержания целостности ИК и расширения его долголетия.Обеспечение того, чтобы эти эксплуатационные напряжения были поддержаны для предотвращения электрической чрезмерной стресса, которая может разгромлить производительность IC в сложной схеме.Внимание к этой детали в основном существенно во время фазы прототипирования электронного дизайна.
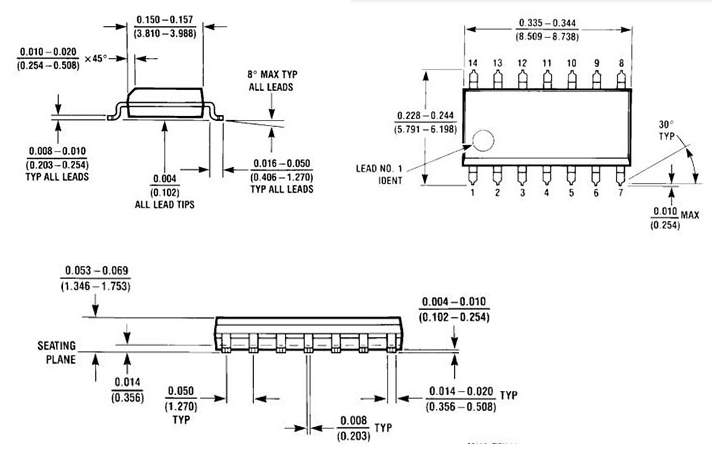
CD4007, построенный с использованием технологии полупроводникового полупроводника (MOS) металла, доступен в пакетах DIP и SOP.IC включает в себя три N-канальных и три P-канальных MOS-транзисторов.Эта конфигурация очень полезна для разработки как осторожных, так и интегрированных логических цепей.Использование технологии MOS предлагает преимущества высокого входного импеданса и низкого энергопотребления.Эти преимущества делают CD4007 подходящим выбором для современных применений с низким энергопотреблением.Максимально используя свойства транзисторов MOS, вы можете достичь цепей, которые являются как эффективными, так и надежными, в основном актуальными в возрасте портативных и носимых электронных устройств.
Пожалуйста, отправьте запрос, мы ответим немедленно.
на 2024/10/21
на 2024/10/21
на 8000/04/18 147757
на 2000/04/18 111931
на 1600/04/18 111349
на 0400/04/18 83719
на 1970/01/1 79508
на 1970/01/1 66892
на 1970/01/1 63010
на 1970/01/1 62986
на 1970/01/1 54081
на 1970/01/1 52111