
А BTA16 Series Triac обслуживает широкий спектр применений переключения переменного тока, расширяя его охват между секторами, такими как статические реле, регулирование нагрева и цепи управления двигателем.Серия предлагает гибкость с пакетами как сквозной, так и с поверхностной майкой, удовлетворяя различные потребности в оборудовании.Хотя это часто используется в сценариях управления включенными/выключениями, он также плавно регулируется к фазовым контрольным обязанностям у диммеров и контроллеров скорости двигателя.Версии с использованием схемы Snubber усиливают возможности коммутации, что дает явное преимущество при управлении индуктивными нагрузками, такими как двигатели и трансформаторы.Кроме того, BTA16 содержит изолированную вкладку, предоставляя большую электрическую изоляцию, которая повышает безопасность и повышает производительность.
Универсальность серии TRIAC BTA16 позволяет эффективно использовать его в разных приложениях.В статических реле он обеспечивает последовательную работу в различных условиях схемы, тем самым оптимизируя эффективность.Обычные схемы регулирования извлекают выгоду из его сильной производительности, достигая точного управления температурой.В целях управления двигателями BTA16 облегчает больше, чем просто включенные/выключенные задачи, обеспечивая динамическую скоростную модуляцию для удовлетворения расширенных требований автоматизации.В приложениях, требующих управления фазой, таких как диммеры и регуляторы скорости двигательной скорости, серия Triac BTA16 превосходит.Этот процесс требует дотошной регулировки потока мощности, что BTA16 работает с заметной точностью.Эта точность повышается в версиях, оснащенных Snubber, которые искусно обрабатывают реактивные признаки индуктивных нагрузок, таких как двигатели и трансформаторы.Эта возможность способствует устойчивой производительности, сокращает скачки питания и расширяет долговечность подключенных компонентов.



|
Особенность |
Описание |
|
Средний ток триак |
Подходит для приложений, требующих среднего тока
умение обращаться |
|
Низкое тепловое сопротивление с помощью клипа |
Обеспечивает эффективное рассеяние тепла |
|
Изоляционная керамика с низкой термостойкостью |
Обеспечивает улучшенную изоляцию для серии изолированной BTA |
|
Высокие возможности коммутации |
Доступно в 4 квадранта (4q) или очень высокий 3-квадрант (3q,
Варианты Snubberless ™) |
|
UL1557 Сертифицирован |
Сертифицировано в соответствии с стандартами UL1557 (File Ref: 81734) |
|
ROHS COMPARINT |
Пакеты соответствуют директиве ROHS (2002/95/EC) |
|
Изолированная вкладка |
Оценка на 2500 VRMS изоляции для серии BTA |
Вот таблица технических спецификаций для STMicroelectronics BTA16-700BRGПолем
|
Тип |
Параметр |
|
Время выполнения завода |
11 недель |
|
Контакт |
Олово |
|
Устанавливать |
Через дыру |
|
Монтажный тип |
Через дыру |
|
Пакет / корпус |
До 220-3 |
|
Количество булавок |
3 |
|
Количество элементов |
1 |
|
Рабочая температура |
-40 ° C до 125 ° C (TJ) |
|
Упаковка |
Трубка |
|
Код JESD-609 |
E3 |
|
PBFREE CODE |
Да |
|
Статус частично |
Активный |
|
Уровень чувствительности влаги (MSL) |
1 (неограниченный) |
|
Количество терминаций |
3 |
|
Дополнительная функция |
Уль признан |
|
Напряжение - рейтинг DC |
700 В. |
|
Текущий рейтинг |
16A |
|
Базовый номер детали |
BTA16 |
|
Подсчет штифтов |
3 |
|
Конфигурация |
Одинокий |
|
Случайный соединение |
Изолирован |
|
Максимальное повторяющее обратное напряжение (VRRM) |
700 В. |
|
Jedec-95 код |
До-220AB |
|
RMS Current (IRMS) |
16A |
|
Держать ток |
50 мА |
|
Запустить тип устройства |
4 квадрантного логического уровня Triac |
|
Напряжение - триггер затвора (VGT) (макс) |
1,3 В. |
|
Current - Non Rep. Surge 50, 60 Гц (ITSM) |
160a, 168a |
|
Ток - затворный триггер (IGT) (макс) |
50 мА |
|
Ток утечки (макс) |
2MA |
|
Критическая скорость роста вне государственного напряжения-мин |
400 В/США |
|
Тип триака |
Стандартный |
|
Критическая скорость роста торговли напряжения |
10 В/США |
|
Радиационное упрочнение |
Нет |
|
Статус ROHS |
ROHS3 соответствует |
|
Свободно привести |
Свободно привести |

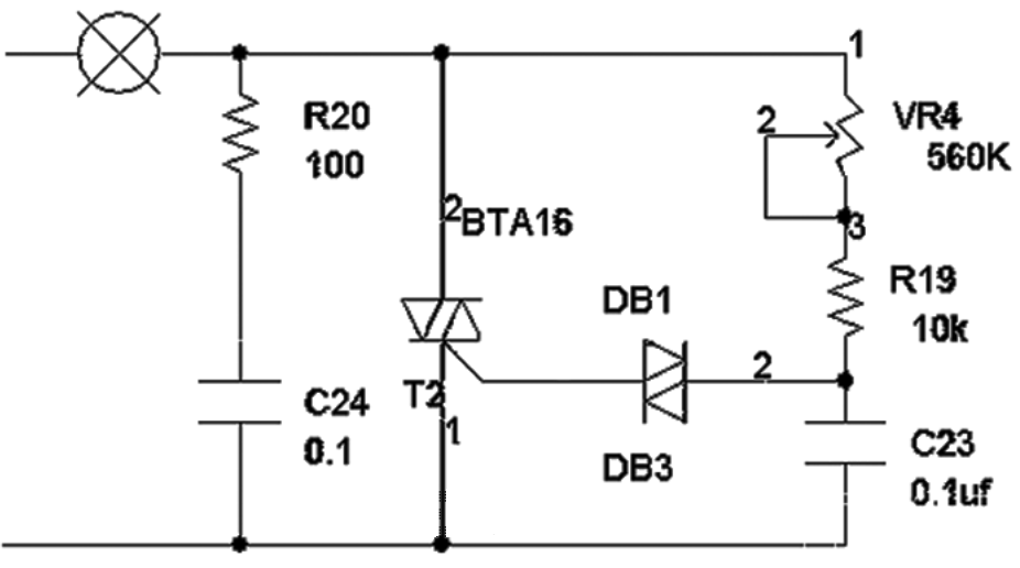
Стандартная пугальная схема с использованием Triac BTA16 манипулирует временем заряда конденсатора для регулировки уровня затемнения подключенной лампы.Используя переменный резистор (VR4) вместе с конденсатором (C23), схема мелко настраивает продолжительность зарядки, тем самым устанавливая момент запуска Triac.При напряжении 220 В регулировка длины заряда изменяет яркость лампочки;Расширенная зарядка освещает более блестяще.

В рамках этой системы затемнения компоненты VR4 и R19 регулируют время заряда конденсатора C23.После того, как напряжение на C23 колеблется примерно в 33 В, триаки задействует, отливая свет.Впоследствии тиристор DB1 облегчает ток по течению через лампочку.Когда ток прекращается, тьма возвращается, а последовательность начинается заново.Продолжительность цикла имеет решающее значение, так как более короткие интервалы заряда дают диммерный свет, в то время как длительные заряды повышают яркость.
Компоненты премиального класса, такие как точные резисторы и конденсаторы с минимальными уровнями толерантности, укрепляют стабильность и предвидение поклона цепи.Решение проблемы тепла TRIAC также доказывает выгодную - экспрессивные температуры могут предотвратить долговечность и надежность цепи.Внедрение подходящих радиаторов и обеспечение правильной вентиляции помогает обойти проблемы перегрева.Использование схем для затемнения на основе триака значительно ограничивает использование энергии и облегчает плавные световые переходы, что вызывает баланс между энергоэффективностью и комфортом.Этот привлекательный подход хорошо резонирует как в жилых, так и в коммерческих сценариях освещения из -за его экономичных и эффективных результатов.
|
Номер части |
Описание |
Производитель |
|
BTB16-700C |
700V, 16A, 4-й квадрант логический уровень Triac, TO-220AB,
Пластиковый пакет-3 |
Stmicroelectronics |
|
BTA16-700B |
700V, 16A, 4-й квадрант логический уровень Triac, TO-220AB,
Пластиковый, изолированный до-220AB, 3 пинга |
Stmicroelectronics |
|
BTB16-700CRG |
700V, 16A, 4-й квадрант логический уровень Triac, TO-220AB,
До-220AB, 3 PIN |
Stmicroelectronics |
|
Q7015R6 |
Aleristor Triac, 700V V (DRM), 15A I (T) RMS, TO-220AB |
Littelfuse Inc. |
|
BTB16-700CW |
700V, 16A, бездушный Triac, To-220AB, Plastice-Package-3 |
Stmicroelectronics |
|
BTB16-700SWRG |
700V, 16A, 4-й квадрант логический уровень Triac, TO-220AB,
До-220AB, 3 PIN |
Stmicroelectronics |
|
BTB16-700SW |
700V, 16A, 4-й квадрант логический уровень Triac, TO-220AB,
Пластиковый пакет-3 |
Stmicroelectronics |
|
BTB16-700BW/F5 |
700V, 16a, бездушный Triac, TO-220AB, TO-220, 3 PIN |
Stmicroelectronics |
|
Q7015L6 |
Alieristor triac, 700V V (DRM), 15A I (T) RMS, TO-220AB,
Изолирован до 220AB, Thermotab-3 |
Littelfuse Inc. |
Серия BTA16 заметна в статических реле и световых диммерах, облегчая точное включение/выключение и управление фазовым управлением.Эти элементы являются основными в достижении стабильной работы систем освещения путем регулировки напряжения, подаваемого в приспособления.Следовательно, эта функция приводит к энергосбережению и продлевает срок службы осветительного оборудования.
В рамках систем управления двигателями, включая стартеры индукционного двигателя и регуляторы скорости, серия BTA16 дает замечательные результаты.В промышленных настройках, где регулирование тонкой скорости и плавное запуск активны для предотвращения механического напряжения, эти компоненты высоко ценятся.Серия BTA16 уважается за его способность поддерживать идеальные моторные характеристики при снижении механического износа.
В мире приложений переключения переменного тока (переменного тока) серия BTA16 превосходна в обеспечении надежного и точного управления мощностью.Будь то в бытовой технике или промышленной технике, серия обеспечивает безопасную и эффективную работу электрических систем.Его выносливый дизайн сводит к минимуму время простоя и обслуживание, тем самым повышая надежность системы.
Показывая выдающуюся производительность коммутации, серия BTA16 является искусственной в управлении как резистивными, так и индуктивными нагрузками.Он предлагает постоянную работу в различных условиях, свидетельствует о его значении в электронных цепях.Его способность эффективно управлять различными типами нагрузки подчеркивает ее адаптивность и широкую применимость.

Stmicroelectronics родилась в результате слияния итальянских SGS Microelettronica и во Франции Thomson Semiconductors в 1987 году, отметив свое место в динамичном полупроводниковом ландшафте.Штаб -квартира блестяще расположена в Женеве, Швейцария, эта компания расширяет свое влияние благодаря стратегическому набору офисов, охватывающих Соединенные Штаты, Азию и China.Этот международный веб -сайт позволяет Stmicroelectronics создавать инновационные решения и предоставлять экспертную техническую поддержку широкому спектру отраслей в мире, что вызывает достижения и способствуя подключению.
В рамках его прославленного предложения серия BTA16 является свидетельством преданности STMicroelectronics для полупроводникового превосходства.Эта серия отражает их мастерство в создании трикан, предназначенных для процветания в различных приложениях и выдерживает сложные условия.Их разнообразная линейка продуктов включает в себя микроконтроллеры, аналоговые устройства, датчики и системы управления питанием, выполняющие существенную роль в современных областях, таких как автомобильная, промышленная и потребительская электроника.
Пожалуйста, отправьте запрос, мы ответим немедленно.
Различие между BTA16-800C и BTA16-800B заключается в схеме триггера IGT.BTA16-800B имеет IGT<50mA, while BTA16-800C is endowed with an IGT<25mA, making its parameters more favorable. These models share STMicroelectronics (ST) lineage, with nomenclature as follows B for Bi-directional, indicating dual direction capability, A' for insulation; 'B' denotes non-insulation, 16' signifies a 16A current capacity, and 800' signifies a voltage rating of 800V
Хотя BTA16-600B может соответствовать показателям производительности BTB16-600B, существуют механические различия.В радиаторе BTA16-600B не хватает соединения среднего уровня, тогда как BTB16-600B интегрирует это соединение.Для конфигураций без радиатора можно заменить.Однако с помощью радиатора, особенно когда используется несколько тиристоров, обеспечить надлежащее логическое соединение или решить проблемы изоляции с помощью надлежащих материалов.
Взаимодействие существует, но придерживается исходных протоколов изоляции цепи: «A» для изолированных версий, в то время как «B» предназначен для неигровой.
Доступно в упаковке как в дыре, так и в упаковке.
Удовлетворители в основном искусны в таких приложениях.
Оценка при 2500 В.
на 2024/11/7
на 2024/11/7
на 8000/04/18 147758
на 2000/04/18 111946
на 1600/04/18 111349
на 0400/04/18 83722
на 1970/01/1 79508
на 1970/01/1 66916
на 1970/01/1 63075
на 1970/01/1 63012
на 1970/01/1 54081
на 1970/01/1 52143