
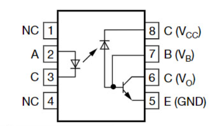
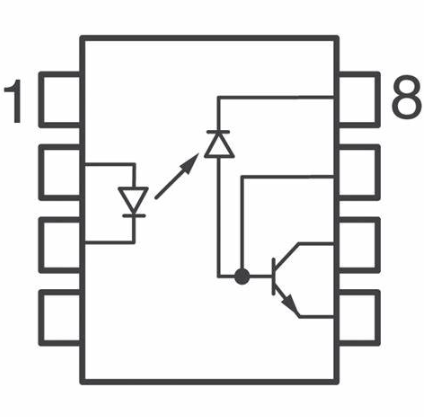
А 6n136, размещается в пластиковом упаковке DIP-8, представляет собой сложный оптокуплеер, который включает в себя инфракрасный инфракрасный излучающий диод, оптически, сочетается со встроенным фотоприемником.Этот фотоприемник включает в себя фотодиод и высокоскоростной транзистор.Эта расширенная конструкция позволяет передавать сигналы до 2 МГц между электрически изолированными цепями, гарантируя, что допустимые потенциальные различия не превышают указанные эталонные напряжения.Его компактный размер, надежность, превосходные возможности противоположных возможностей, высокое напряжение изоляции, скорость и совместимость логического уровня TTL делают универсальный компонент 6N136 в множество приложений.
Из-за своей высокоскоростной способности передачи 6N136 обеспечивает целостность сигналов, даже когда она окружена электрическим шумом.Этот атрибут оказывается бесценным в промышленных условиях, где электромагнитное помехи (EMI) является общей проблемой.Рассмотрим сценарий заводской автоматизации, в котором точная передача сигналов между контроллерами и приводами управляет как эффективностью, так и безопасностью.Именно здесь действительно сияет 6N136, поддерживая гармонию сложных систем.Построенный для долговечности, 6N136 является надежным вариантом для приложений, где доступ к обслуживанию ограничен или дорого.Например, приложения для дистанционного зондирования требуют компонентов, которые могут надежно функционировать в течение длительных периодов без вмешательства.
Высокое напряжение изоляции 6N136 не только экранирует чувствительные элементы цепи из шипов высокого напряжения, но и гарантирует, что устройство может обрабатывать высокоскоростную передачу данных.В системах сбора данных, где точность и скорость передачи данных не одобрительно влияют на качество собранных данных, эта функция оказывается чрезвычайно полезной.Совместимость логического уровня TTL 6N136 предоставляет его исключительную универсальность, обеспечивая бесшовную интеграцию с различными цифровыми схемами.В процессах цифрового в аналога и аналого-цифрового преобразования используется поддержание точности и совместимости сигнала на разных логических уровнях.6N136 без труда взаимодействует с другими компонентами в этих сценариях, обеспечивая плавное преобразование данных и оптимизированные операции.




|
Особенность |
Описание |
|
Изоляционное испытательное напряжение |
5300 VRMS |
|
Совместимость |
TTL совместимо |
|
Скорость бита |
1,0 Мбит/с |
|
Иммунитет по интерференции общего мода |
Высокий |
|
Пропускная способность |
2,0 МГц |
|
Вывод типа |
Выходной сигнал |
|
Внешняя базовая проводка |
Возможный |
|
Ведущий (PB) содержание |
Компонент без свинца |
|
Согласие |
ROHS 2002/95/EC, WEEE 2002/96/EC |
|
Тип |
Параметр |
|
Время выполнения завода |
6 недель |
|
Устанавливать |
Через дыру |
|
Монтажный тип |
Через дыру |
|
Пакет / корпус |
8-DIP (0,300, 7,62 мм) |
|
Количество булавок |
8 |
|
Коэффициент передачи тока - мин |
19% @ 16ma |
|
Количество элементов |
1 |
|
Рабочая температура |
-55 ° C до 100 ° C. |
|
Упаковка |
Трубка |
|
Опубликовано |
2012 |
|
Статус частично |
Активный
|
|
Уровень чувствительности влаги (MSL) |
1 (неограниченный) |
|
Дополнительная функция |
TTL совместимо |
|
Максимальная диссипация власти |
100 МВт |
|
Базовый номер детали |
6n136 |
|
Напряжение - изоляция |
5300vrms |
|
Выходное напряжение |
400 мВ |
|
Вывод типа |
Транзистор с базой |
|
Конфигурация |
Одинокий |
|
Количество каналов |
1 |
|
Рассеяние власти |
100 МВт |
|
Напряжение - вперед (vf) (тип) |
1,33 В. |
|
Тип ввода |
Ток |
|
Оптоэлектронный тип устройства |
Logic IC вывод Optocoupler |
|
Вперед |
25 мА |
|
Максимальное выходное напряжение |
15 В |
|
Скорость передачи данных |
1 Мбит / с |
|
Выходной ток на канал |
8 мА |
|
Время подъема |
800NS |
|
Время падения (тип) |
800NS |
|
Макс Коллекторный ток |
8 мА |
|
Обратное напряжение разбивки |
5 В |
|
Максимальный входной ток |
25 мА |
|
Включите / выключите время (тип) |
200NS / 200NS |
|
Коэффициент передачи тока |
35% |
|
Радиационное упрочнение |
Нет |
|
Статус ROHS |
ROHS3 соответствует |
|
Номер части |
Производитель |
Пакет / корпус |
Количество булавок |
Количество каналов |
Напряжение - изоляция |
Коэффициент передачи тока |
Коэффициент переноса тока (мин) |
Время подъема |
Максимальное выходное напряжение |
Выходное напряжение |
Посмотреть сравнение |
|
6n136-x001 |
Полупроводниковая дивизия Vishay Semiconductor |
8-DIP (0,300, 7,62 мм) |
8 |
1 |
5300vrms |
35% |
19% @ 16ma |
800 нс |
15 В |
400 мВ |
6N136-x001 против SFH6136-X016 |
|
SFH6136-X016 |
Полупроводниковая дивизия Vishay Semiconductor |
8-DIP (0,300, 7,62 мм) |
6 |
1 |
500vrms |
30% |
10% @ 10ma |
- |
30 В |
- |
|
|
6n136-x016 |
Полупроводниковая дивизия Vishay Semiconductor |
8-DIP (0,400, 10,16 мм) |
8 |
1 |
5300vrms |
35% |
19% @ 16ma |
800 нс |
15 В |
400 мВ |
6N136-x001 против 6N136-X016 |
|
4n28 |
Lite-On Inc. |
8-DIP (0,400, 10,16 мм) |
8 |
1 |
5300vrms |
35% |
19% @ 16ma |
- |
25 В |
- |
6N136-x001 против 4N28 |
|
SFH6345-X016 |
Полупроводниковая дивизия Vishay Semiconductor |
8-DIP (0,400, 10,16 мм) |
8 |
1 |
5300vrms |
30% |
19% @ 16ma |
- |
25 В |
- |
6N136-x001 против SFH6345-X016 |

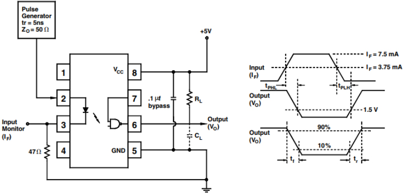
Интеграция подтягивающего резистора в цепь гарантирует, что когда транзистор выключен, штифт Vout последовательно возвращается к высокому логическому уровню 5 вольт.Этот резистор подтягивания, подключенный между контактом Vout и положительным напряжением питания, имеет несколько целей.Стабилизация выходного напряжения, гарантируя, что оно достигает желаемого высокого состояния логики.Предотвращение плавучих состояний, которые могут привести к непредсказуемому поведению схемы.Защита от шума и ложного запуска внутри цепи.
Выполняя эти роли, резистор подтягивания способствует поддержанию общей надежности и производительности цепи.Тщательно выбранное значение резистора подтягивания может предотвратить плавающие выходы.Эта стабилизация приводит к предсказуемым и непоколебимым логическим уровням.Поддерживая штифт Vout в предсказуемом состоянии напряжения, когда транзистор находится в выключенном положении, резистор подтягивания эффективно снижает вероятность возмущений, вызванных шумом.Эта стабильность в основном активна, когда точность и надежность доминируют в функционировании цифровых цепей.
Вдумчивый выбор значения резистора подтягивания используется для достижения желаемой производительности.Как правило, значения варьируются от нескольких килограммов до десятков килом, в зависимости от требований схемы.Например, резистор 10K Ом часто выбирается, поскольку он достигает баланса между скоростью и потреблением тока, хорошо выравнивая с широким диапазоном потребностей схемы.Вы можете использовать их обширный опыт, чтобы определить наиболее подходящие значения резистора для их конкретных приложений.
Светодиод внутри активирует и излучает ИК -луч, когда соответствующий входной ток достигает клемм (+VF и -VF).Когда ИК -луч ударяет в фототранзистор, он, следовательно, активирует.В встроенных системах этот тип конфигурации часто используется для выделения сигнала.Таким образом, высокочастотные шумы или пики напряжения не дают повреждения чувствительных компонентов.

На предоставленной диаграмме IC 6N136 выполняет инверсию входной полярности импульса.В частности, когда применяется высокий уровень входной логики, генерируется низкий выход.И наоборот, низкий уровень входной логики производит высокую мощность.Этот механизм инверсии играет важную роль в обработке цифровых сигналов, особенно когда существует необходимость поддерживать или адаптировать конкретные логические уровни для последующих стадий схемы.
В конструкциях схемы с использованием 6N136 необходимо учитывать как эффективность, так и время отклика оптокуплера.Практический опыт показывает, что выбор подходящих резисторов, ограничивающих ток, может оптимизировать время активации светодиода, что повышает общую производительность.Точное время в основном примечательно в управляемых приложениях, где даже задержки на микросекундном уровне могут влиять на функциональность системы.
|
Номер части |
Описание |
Производитель |
|
6N139#500 |
1 канал логический выходной оптокуплер, 0,1 Мбит / с, 0,300 дюйма,
Поверхностное крепление, Dip-8 |
Agilent Technologies Inc. |
|
HCPL-5700#200 |
1 канал логический выход Optocoupler, 0,1 Мбит / с, герметика
Запечатанный, керамический, Dip-8 |
Avago Technologies |
|
HCPL-0700 |
1 канал логический выход OptoCoupler, SO-8 |
Fairchild Semiconductor Corporation |
|
HCPL-2730-020 |
Logic IC Output Optocoupler, 2-элементный, 5000 В изоляция,
0,300 дюйма, DIP-8 |
Agilent Technologies Inc. |
|
HCPL0500V |
8-контактный SOIC 1 MBIT/S Одноканальный высокоскоростной транзистор
Вывод Optocoupler, 3000 Tube |
OnSemi |
|
HCPL-4503-560 |
1 канал логический выход Optocoupler, 1 Мбит / с, 0,300 дюйма,
Поверхностное крепление, Dip-8 |
Avago Technologies |
|
HCPL-0500V |
1 канал логический выходной OptoCoupler, 1 Мбит / с, без свинца,
SOIC-8 |
Rochester Electronics LLC |
|
HCNW4502E |
1 канал логический выход Optocoupler, 1 Мбит / с, 0,400 дюйма,
Без свинца, Dip-8 |
Avago Technologies |
|
SFH6325 |
Logic IC Output Optocoupler, 2-элементный, 5300 В изоляция,
1 Мбит / с, пластик, Dip-8 |
Infineon Technologies Ag |
|
HCPL-5701#200 |
Logic IC Opture Optocoupler, 1-элемент, выделение 1500 В,
0,1 Мбит / с, герметическая герметичная, керамическая, DIP-8 |
Agilent Technologies Inc. |
Optocoupler 6N136 находит существенное использование в приемниках.Он эффективно управляет высокоскоростной передачей данных, минимизирует искажение сигнала и целостность сигнала поддержания на большие расстояния.Используя свои возможности, среда, в которой надежность сигнала серьезно пользуется серьезной пользой.Это оптоэлектронное устройство играет замечательную роль в повышении систем связи, обеспечивая надежную передачу данных в телекоммуникационных инфраструктурах и сохранение оперативной эффективности в сложных сетях.Полевые приложения показали, что 6N136 может значительно уменьшить помехи шума.В промышленных настройках с длинными кабельными прогонами он превосходно поддерживает точность сигнала.
Optocoupler 6N136 служит оптимальной заменой традиционных импульсных трансформаторов, предлагая преимущества, такие как уменьшение размера, повышенная надежность и повышенная эффективность.Обменяя импульсные трансформаторы 6N136, системы см. Повышенные характеристики и снижение электромагнитных помех.Этот сдвиг в сторону более компактных и эффективных электронных архитектур подчеркивает тенденцию к электронике в направлении миниатюризации и повышенных стандартов производительности.Реализации в различных электронных цепях показывают 6N136 не только экономит физическое пространство, но и повышает общую надежность системы.
Одной из выдающихся особенностей 6N136 является его беспроблемное взаимодействие с CMOS, LSTTL и TTL Logic Families.Эта универсальность делает его ключевым компонентом в различных цифровых цепях.Соединяя разрыв совместимости между различными логическими стандартами, он упрощает конструкцию цепи и повышает эксплуатационную гибкость.Вы можете использовать 6N136 для решения проблем совместимости между различными семействами цифровых логиков, оптимизации проектов и снижением сложности.Его эффективность взаимодействия с несколькими логическими уровнями привела к широкому распространению в интегрированной конструкции цепи.
Optocoupler 6N136 оказывается неоценимым для аналоговой связи с широкой полосой пропускания.При высокоскоростном отклике и низких характеристиках искажения он обеспечивает точную передачу сигнала в широких частотных диапазонах.В полях, требующих точного воспроизведения аналогового сигнала, таких как обработка аудио и высокоскоростное сборы данных, его производительность в основном примечательна.

Vishay является ведущим поставщиком, специализирующимся на дискретных полупроводниках (диоды, MOSFET, оптоэлектроника) и пассивных компонентов (резисторы, индукторы, конденсаторы).Их компоненты находят использование в различных секторах, включая промышленные, вычислительные, автомобильные, потребительские электроники, телекоммуникации, военные, аэрокосмические и медицинские применения.
Дискретные полупроводники Вишай и пассивные компоненты являются основными для современных технологических устройств.В промышленном секторе их продукты способствуют надежности и эффективности систем машин и автоматизации.Для вычислений Vishay поставляет компоненты, основанные как для потребительской электроники, так и серверов уровня предприятия.Эти элементы обеспечивают производительность, стабильность и точную миниатюризацию устройств, удовлетворяющие постоянно растущие требования технологий.
Компоненты Вишай также влияют на развивающий мир электромобилей (EV) и современных систем помощи водителям (ADA).Их МОСФЕТЫ и диоды являются ключом к системам управления аккумуляторами и инверторами движения, повышающими эффективность и надежность.В потребительской электронике оптоэлектроника Вишай вносит вклад в миниатюризацию и энергоэффективность устройств, предоставляя вам более богатый опыт и обеспечивая долговечность устройства.Телекоммуникационная инфраструктура в значительной степени зависит от конденсаторов и индукторов Вишая для поддержания целостности сигнала и управления питанием.Эти компоненты поддерживают высокоскоростную передачу данных и надежную производительность сети, используемые для удовлетворения эскалации спроса на бесшовную полосу пропускания и подключение в нашем взаимосвязанном мире.
6N135 оснащен 850 -нм -светодиодом Algaas.Включает в себя интегрированный детектор с фотодиодом, линейным операционным усилителем и зажиманным триодом Шоттки.Обеспечивает высокоскоростную работу на уровне 10 МБД.Требуется минимальный входной ток, в частности, 5 мА.Напротив, 6N136 имеет инфракрасный светодиод высокого уровня.Включает фоточувствительный транзистор.Признан для надежных противоположных возможностей.Предлагает высокоизоляционное напряжение и превосходную совместимость TTL.При выборе между этими двумя, 6N135 сияет в передаче данных с его быстрым откликом и эффективным использованием мощности, идеально подходит для среды, где скорость и эффективность точность коаксии.С другой стороны, 6N136 становится незаменимым в промышленных или медицинских приложениях, где изоляция и отторжение помех сохраняют целостность операции с течением времени.
В то время как 6N137 и 6N136 служат аналогичным целям в опто-изоляции.6N137 может похвастаться более высокой максимальной скоростью 10 МБД.Он работает в более узком диапазоне напряжений подачи.И наоборот, 6N136 обладает более широкой толерантностью к напряжению.Он работает с более низкой скоростью 1 МБД.Таким образом, 6N137 идеально подходит для передовых систем связи, требующих быстрой передачи данных, тогда как 6N136 хорошо адаптируется к сценариям с различными расходными материалами, вызывая баланс между скоростью и универсальностью.
6N136 адаптирован для высокоскоростных операций, что очевидно в своей типичной задержке распространения 0,5 микросекунд с сопротивлением нагрузки 1,9 Ом.Это позволяет ему поддерживать высокоскоростные интерфейсы цифровой коммуникации, достигая скорости бодского бода свыше 500 тысяч, значительно опережая стандартные устройства, такие как 4N25 или Tili17.Тем не менее, достижение такой производительности в практических приложениях требует дотошного внимания к конструкции и макету схемы.Обеспечение этих мелких деталей помогает смягчить любую потенциальную деградацию сигнала, обеспечивая высокоскоростную способность, обещанную 6N136.
Пожалуйста, отправьте запрос, мы ответим немедленно.
на 2024/10/21
на 2024/10/21
на 8000/04/18 147758
на 2000/04/18 111948
на 1600/04/18 111349
на 0400/04/18 83722
на 1970/01/1 79508
на 1970/01/1 66916
на 1970/01/1 63075
на 1970/01/1 63012
на 1970/01/1 54081
на 1970/01/1 52143