
А GC5330ISEV является сложным широкополосным цифровым сигнальным процессором (DSP), разработанным специально для расширенных систем беспроводной связи.Этот DSP поддерживает различные стандарты, такие как CDMA, GSM, TD-SCDMA, W-CDMA и WIMAX, что делает его весьма универсальным для различных инфраструктур связи.Он имеет упаковку матрицы сетки 484 шри (BGA), подходящую для технологических применений на поверхности, обеспечивая бесшовную интеграцию в современные электронные сборы.Часть более широкого семейства GC5330, GC5330IZEV имеет общую основную архитектуру со своими братьями и сестрами, нацеленную на оптимизацию производительности и эффективности широкополосных операций по получению передачи.
Если вы хотите заблокировать надежный DSP для своих систем, сейчас самое время подумать о том, чтобы разместить с нами объемный заказ для GC5330ISEV.

GC5330ISEV Символ

GC5330IZEV FOUTPRINT

GC5330ISEV 3D -модель
• Интегрированное передачу и приобретение цифрового решения: DSP включает в себя интегрированные функциональные возможности цифрового повышения (DUC) и цифровой Downconverter (DDC).Эта интеграция упрощает цепочку обработки сигналов, объединяя несколько функциональных возможностей в одно компактное решение, тем самым уменьшая сложность и размер системы.
• Несколько каналов поддержки: GC5330IZEV поддерживает до 4 каналов передачи (TX) и 8 приема (RX).Эта функция позволяет обрабатывать сложные многопользовательские системы, которые отлично подходят для современных технологий беспроводной связи, которые требуют высокой пропускной способности данных и повышенной целостности сигнала.
• Функциональные возможности передачи пути: Ключевые функции в пути передачи GC5330IZEV включают снижение фактора гребня (CFR), цифровое предсказание (DPD) и выравнивание передачи.Эти функции необходимы для улучшения качества сигнала и линейности, что, в свою очередь, повышает общую эффективность и производительность систем связи.
• Возможности синхронизации: Устройство оснащено двумя синхронизациями LVDS входа (SYNCA и SYNCB) и одним выходной синхронизацией LVDS.Эти возможности синхронизации обеспечивают точное выравнивание времени на нескольких устройствах в системе, для поддержания целостности и согласованности в передаче данных.

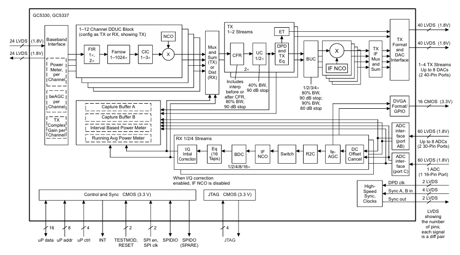
Блок-схема GC5330/GC5337 иллюстрирует высокопроизводительное решение для цифрового передачи, предназначенное для систем базовых станций.Это начинается с Интерфейс базовой полосы, получая до 24 дифференциальных пар LVDS при 1,8 В, которые переносят данные цифровой базовой полосы в чип.Этот интерфейс включает в себя счетчики мощности и Агентство (Автоматический контроль усиления) Чтобы обеспечить оптимальные уровни сигнала.А Цифровой блок преобразователя (DDUC) настраивается как для передачи (TX), либо для получения (RX) и поддерживает до 12 каналов.Он обрабатывает сигнал базовой полосы с помощью множественных этапов фильтрации, таких как FIR, Farrow и CIC, чтобы регулировать скорости дискретизации и применять интерполяцию или уничтожение.Необязательный Численно управляемый генератор (NCO) также включен для перевода частот.После отфильтрованного и обусловленного сигнал входит в путь TX, где он дополнительно интерполируется блоками CFR (уменьшение фактора гребня) и DPD (цифровое предварительное устранение).Эти компоненты оптимизируют динамический диапазон сигнала и линеаризуют его для эффективной передачи.Элементы ET (отслеживание конверта) и BUC (Block Up Converter) готовят сигнал для высокочастотной модуляции.IF NCO Стадия сдвигает сигнал на промежуточную частоту до того, как он отправится в формат TX и график DAC, который выводит до 4 потоков TX до 8 ЦАП через 40 линий LVD.
На стороне приема система захватывает высокоскоростные данные АЦП через 60 линий LVD.Данные обрабатываются с помощью отмены смещения постоянного тока, Fe-AGC, коммутатора и блоков NCO.Затем он переходит к R2C и BDC, проходя через выравнивание, и, опционально коррекцию дисбаланса I/Q, до окончательного захвата и измерения мощности.Этот процесс поддерживает гибкую пропускную способность и показатели уничтожения.В нижней части диаграммы показано несколько интерфейсов управления и синхронизации.К ним относятся микропроцессорные интерфейсы для ввода команд и данных, JTAG для тестирования и отладки и SPI для конфигурации.Высокоскоростные часы и сигналы синхронизации обеспечивают точное время между вводом, обработкой и выходными блоками.В целом, архитектура GC5330/GC5337 оптимизирована для высокоэффективной цифровой передачи с гибкой конфигурацией для различных беспроводных стандартов.
|
Тип |
Параметр |
|
Производитель |
Техасские инструменты |
|
Упаковка |
Масса |
|
Статус частично |
Устаревший |
|
Функция |
Цифровой процессор |
|
RF -тип |
CDMA, GSM, TD-SCDMA, W-CDMA, WIMAX |
|
Монтажный тип |
Поверхностное крепление |
|
Пакет / корпус |
484-BGA |
|
Пакет устройства поставщика |
484-BGA |
|
Базовый номер продукта |
GC5330 |
Системы беспроводной связи
GC5330ISEV предназначен для обработки расширенных беспроводных протоколов, таких как CDMA, GSM, TD-SCDMA, W-CDMA и WIMAX.Это делает его идеальным DSP для использования на современных базовых станциях и беспроводной инфраструктуре.Его интегрированные цифровые функции повышения и понижения, наряду с множественной поддержкой канала, позволяют эффективно управлять широкополосной обработкой сигналов радиочастотных сигналов.Устройство повышает производительность систем беспроводной связи за счет сокращения количества необходимых внешних компонентов и предлагая превосходную целостность сигнала.
Беспроводные ретрансляторы
В приложениях по беспроводным ретрансляторам GC5330ISEV служит мостом между цепочками приема и передачи.Он обеспечивает цифровую фильтрацию, понижение входящих сигналов и повышение обращения исходящих сигналов.Это позволяет ретрансляторам передавать сигналы связи на более длительных расстояниях без искажений.Включение таких функций, как снижение фактора гребня и цифровое предсказание, также делает его очень подходящим для поддержания качества передачи в усиленных путях.
Тестовое оборудование
GC5330IZEV является ценным в испытательном и измерительном оборудовании.Его широкополосная возможность обработки и гибкая обработка каналов позволяют ему моделировать, обрабатывать и анализировать сигналы по различным беспроводным протоколам.Высокая точность синхронизации и усовершенствованные функции кондиционирования сигнала помогают обеспечить надежные и повторяемые измерения в средах лабораторных и полевых испытаний.
Радио-радио-точка
GC5330IZEV хорошо подходит для использования в микроволновой и миллиметровой волнах.В таких системах высокая передача и прием для высокой скорости передачи данных требуют, чтобы DSP, способные обрабатывать широкую полосу пропускания и жесткую синхронизацию.Это устройство поддерживает эти потребности благодаря своей эффективной цифровой обработке, обеспечивая надежную связь в фиксированном беспроводном доступе, сетях обработки данных или специализированных промышленных ссылках.
• GC53288
Повышенная эффективность усиления мощности
GC5330ISEV обеспечивает улучшение общей эффективности системы за счет снижения фактора гребня (CFR) и цифрового предсказания (DPD).Эти технологии работают вместе, чтобы уменьшить соотношение пиковых до среднего (PAR) РЧ-сигналов и правильные нелинейности в усилителях мощности.В результате усилители работают более эффективно, снижая энергопотребление и тепло.Это приводит к экономии средств для операторов системы и продлевает оперативную продолжительность жизни РЧ -компонентов.
Гибкая системная интеграция
Благодаря поддержке различных конфигураций MIMO, таких как 2 × 2, 4 × 4 или даже 4 × 8, и совместимость с несколькими беспроводными стандартами, такими как GSM, CDMA, TD-SCDMA, W-CDMA и WIMAX, GC5330IZEV невероятно универсаль.Вы можете использовать одну платформу для различных типов инфраструктуры связи, уменьшая сложность развития, время на рынок и необходимость управления несколькими решениями DSP для различных сетей.
Снижение количества компонентов и стоимость
Интегрируя несколько функций обработки, таких как цифровое повышение, понижение и выравнивание передачи в одно устройство, GC5330IZEV минимизирует необходимость во внешних вспомогательных компонентах.Это не только упрощает планировку печатной платы, но и снижает затраты на билет-мастер (BOM) и системную площадь.Конечным результатом является более компактный, экономически эффективный дизайн, который проще изготовить и поддерживать.
Улучшение качества сигнала и надежность
При встроенной расширенной обработке сигналов, такой как CFR, DPD и выравнивание передачи, GC5330ISEV повышает ясность сигнала и снижает утечку соседних каналов.Это приводит к более надежному и устойчивому к помехам канала связи, обеспечивающего пользователи, получавшую последовательную и высококачественную передачу даже в плотных РЧ-средах или сценариях высокой скорости.
1. Выбор интерфейса: Первоначальный шаг в программировании GC5330IZEV включает в себя выбор соответствующего интерфейса связи.Это устройство поддерживает как интерфейс микропроцессорного блока (MPU), так и последовательный периферический интерфейс (SPI).Выбор зависит от требований к архитектуре системы и управления данными. Интерфейс SPI становится активным только тогда, когда PIN -контакт Emifena (внешняя интерфейс интерфейса памяти) установлен на Logic Low.Вы должны убедиться, что правильная конфигурация аппаратной обеспечения находится на месте перед началом связи.Это решение определяет, как обмениваются команды управления, данные конфигурации и информацию о состоянии между контроллером хоста и GC5330.
2. Конфигурация часов: Как только интерфейс установлен, следующим шагом является настройка сигналов часов.GC5330ISEV работает с использованием двух основных часов: цифровые часы до расстояния (DPDCLK) и часы базовой полосы (BBCLK).Эти часы управляют внутренним конвейером обработки данных.DPDCLK поддерживает частоты до 310 МГц, в то время как BBCLK поддерживает до 290 МГц.Оба должны быть точно настроены, чтобы соответствовать требованиям пропускной способности и временем предназначенного стандарта беспроводной связи.Правильная синхронизация между этими тактовыми доменами гарантирует, что стадии обработки сигнала, такие как фильтрация, интерполяция и функция смешивания надежно и внутри спецификации.
3. Синхронизация: Синхронизация важна для выравниваемой по времени работы в различных модулях в GC5330ISEV.Чип обеспечивает входные сигналы синхронизации SYNCA и SYNCB, а также синхронизированный сигнал выходного синхронизации.Эти сигналы используются для выравнивания внутренних событий, таких как измерение мощности, захват сигнала или обновление DPD.В многоканальных или многоканальных системах внешние аппаратные или базовые процессоры должны координировать синхронизационные импульсы, чтобы обеспечить последовательную обработку окон.Программируя регистры управления синхронизацией, вы можете настроить, как и когда происходят триггеры синхронизации, обеспечивая стабильную работу даже в условиях динамических систем.
4. Форматирование данных : GC5330ISEV предлагает гибкие параметры форматирования данных как для пути передачи, так и для приема.Вы должны настроить входное форматирование ввода основной полосы для передачи и форматирование вывода основной полосы базовой полосы для приема.Это включает в себя выбор соответствующих ширины и форматов данных, таких как серийные, байто-параллельные или шнурные моды.Правильное форматирование данных обеспечивает совместимость с процессором Baseband или FPGA, обрабатывающей цифровые потоки I/Q.Программируемые параметры кадрирования позволяют создавать индивидуальные маркеры выравнивания и инкапсуляцию данных для систем, которые используют сложные структуры кадрирования или используют динамические трансмиссии взрыва.
5. Конфигурация DUC и DDC: Основной функцией GC5330IZEV является его цифровые возможности повышения (DUC) и понижения (DDC).Эти блоки настроены для управления интерполяцией сигнала, уничтожения, фильтрации и частоты.На стороне передачи DUC увеличивает скорость дискретизации и перемещает сигнал на желаемую полосу частот, готовый к преобразованию РЧ.На стороне приема DDC снижает скорость дискретизации и отфильтровывает нежелательные частотные компоненты.Правильные настройки DUC и DDC хороши для оптимизации точности сигнала, уменьшения псевдонимы и обеспечения эффективного использования полосы пропускания.Параметры конфигурации включают скорости интерполяции/уничтожения, коэффициенты фильтра и настройки микшера.
6. Контроль усиления: Автоматический контроль усиления (AGC) в GC5330ISEV разделен на две ключевые области: передний AGC (FEAGC) и задний AGC (BEAGC).Эти блоки помогают поддерживать оптимальные уровни сигналов, когда сигналы перемещаются через цепочку обработки.FEAGC в первую очередь имеет дело с уровнем входящего сигнала, регулируя усиление для предотвращения насыщения или обрезки.BEAGC фокусируется на обработанном сигнале, гарантируя, что он остается в ожидаемых динамических диапазонах для последующих цифровых операций.Вы должны программировать пороговые значения AGC, скорость атаки/распада и получить шаги для обработки различных условий сигнала, таких как замыкание, помехи или изменения мощности сигнала.
7. Измерение питания и настройка тревоги: GC5330ISEV включает в себя программируемые единицы измерения мощности, способные контролировать уровни сигнала.Эти счетчики помогают обнаружить аномалии, такие как скачки питания, падения или выбросы вне полости.Программируемые аварийные сигналы могут быть настроены на запуск на основе заданных порогов, обеспечивая защитное или корректирующее действие, такие как настройка усиления или сигнализация ошибок.Вы должны настроить измеренные блоки, установив размеры окна питания, пороговые уровни и настройки фильтра.Эта функциональность важна в системах, требующих высокой надежности, таких как базовые станции, которые требуют соблюдения нормативных требований и безопасности.
|
Параметр |
Измерение (мм) |
|
Размер тела (в целом) |
22,80 - 23,20 |
|
Размер субстрата (внутренний квадрат) |
19.30 - 19.70 |
|
Шарик (типичный) |
1 |
|
Количество шаров |
22 × ab (массив сетки) |
|
Высота упаковки (корпус) |
1.12 - 1.22 |
|
Максимальная высота упаковки (в целом) |
2.48 |
|
Диаметр мяча |
0,50 - 0,70 |
|
Высота мяча над плоскостью сидения |
0,40 - 0,60 |
|
Допустимость диаметра мяча |
± 0,10 |
|
Стандарт мяча (плоскость сидения) |
0,15 |

GC5330IZEV производится Техасские инструменты, глобально известный лидер в разработке и производстве аналоговых и встроенных полупроводников.Штаб-квартира в Далласе, штат Техас, штат Техас Инструменты (TI), имеет давнюю репутацию инноваций и надежности в отрасли электроники, обслуживая различные сектора, включая автомобильные, промышленные, коммуникационные и потребительские электроники.TI известен своим надежным портфелем высокопроизводительных интегрированных цепей, а GC5330ISEV иллюстрирует опыт компании в предоставлении сложных цифровых радиоприемников.С акцентом на качество, масштабируемость и поддержку новых стандартов связи, Texas Instruments гарантируют, что такие компоненты, как GC5330IZEV, соответствовали требованиям современных приложений обработки RF и базовой полосы.
GC5330IZEV выделяется как высокопроизводительное решение DSP, разработанное для удовлетворения строгих требований беспроводной инфраструктуры следующего поколения.Его гибкая поддержка каналов, интегрированные блоки обработки и надежная синхронизация делают его идеальным для снижения сложности системы, повышения эффективности усилителя мощности и повышения точностью сигнала.Опираясь на репутацию Texas Instruments в отношении надежности и инноваций, GC5330IZEV является выбором, направленным на создание масштабируемых и эффективных радиочастотных систем с минимальными накладными расходами на компоненты.
Пожалуйста, отправьте запрос, мы ответим немедленно.
Да, GC5330IZEV очень совместим с пользовательскими системами на основе FPGA.Его настраиваемые цифровые интерфейсы и параметры форматирования данных позволяют легко интегрировать с программируемыми логическими платформами.Вы можете использовать ссылки на данные LVDS, SPI или микропроцессорные интерфейсы для связи между вашим FPGA и чипом DSP, обеспечивая бесшовную обработку сигналов в таких приложениях, как базовые станции или испытательное оборудование.
В отличие от традиционных установок, которые полагаются на множество дискретных компонентов DSP, GC5330IZEV консолидают ключевые функции, такие как снижение фактора гребня (CFR), цифровое предсказание (DPD) и передовая фильтрация.Эта интеграция обеспечивает более жесткий контроль над целостностью сигнала, более низкой задержкой и лучшей синхронизации, что непосредственно приводит к улучшению величины вектора ошибок (EVM) и уменьшению смежных интерференций канала.
В то время как GC5330ISEV был в основном разработан для беспроводных стандартов 3G и 4G, он все еще может служить мощным блоком обработки в системах 5G 5G в подразделении 6G, которые не требуют ультра-низкого задержки или массивной масштабируемости MIMO.Его высокая поддержка полосы пропускания и несколько каналов TX/RX могут помочь обработать широкополосные сигналы и поддерживать фиксированный беспроводной доступ или обратный хол в переходных развертываниях 5G.
Да, GC5330IZEV может поддерживать многополосные системы через свою многоканальную архитектуру цифровой обработки.Он может одновременно обрабатывать до 4 каналов TX и 8 RX, что позволяет реализовать агрегацию носителей по полосам частот, особенно в сценариях, требующих цифровых, если для передних концов RF.Тщательные настройки поставки и синхронизации необходимы для оптимальной производительности.
Да.GC5330ISEV совместим с архитектурами SDR, особенно те, которые нуждаются в специальном аппаратном DSP для интенсивной обработки базовой полосы.Его функции цифрового преобразования и канала в режиме реального времени позволяют разгрузить вычислительные задачи с высокими задачами от общего процессора в среде SDR.
на 2025/04/1
на 2025/04/1
на 8000/04/17 147718
на 2000/04/17 111776
на 1600/04/17 111327
на 0400/04/17 83645
на 1970/01/1 79325
на 1970/01/1 66801
на 1970/01/1 62963
на 1970/01/1 62852
на 1970/01/1 54045
на 1970/01/1 52027