
RF Encoder HT12E IC является отличным компонентом в области радиочастотных и ИК беспроводных систем связи.Его основная функция-кодировать сигналы в 12-битную структуру, обеспечивая безопасную и надежную передачу данных.Этот процесс кодирования гарантирует, что передаваемые данные организованы в формате, который распознается и обрабатывается приемными единицами.HT12E беспрепятственно работает со своим аналогом, IC Decoder HT12D, создавая эффективную связь между передачами и принимающими устройствами.Одним из ключевых преимуществ HT12E является его способность преобразовать параллельные входы данных в последовательные выходы, что повышает целостность данных и безопасность данных.Это делает его ценным в таких приложениях, как дистанционное управление и системы тревоги, где для правильной функциональности требуется последовательная и надежная передача сигнала.

|
PIN -код |
Название вывода |
Описание |
|
От 1 до 8 |
A0, A1, A2, A3, A4, A5, A6, A7 |
Это 8-битные адресные биты, используемые для защиты данных.
Эти биты должны быть установлены в том же рисунке на энкодере и декодере, чтобы
Соедините их. |
|
9 |
Земля/VSS |
Подключено к земле цепи. |
|
От 10 до 13 |
AD0, AD1, AD2, AD3 |
Эти четыре булавки используются для отправки данных.Данные закодированы
Здесь будет декодировано на ht12d IC, совместно используя те же биты адреса. |
|
14 |
Включение передачи (TE) |
Этот штифт должен быть подключен к земле (0 В), чтобы включить
передача инфекции. |
|
15 и 16 |
Штифты осциллятора 1 и 2 |
IC имеет встроенный генератор.Подключить эти два булавки
Через 1 -метровый резистор, чтобы использовать его. |
|
17 |
Выход |
Кодированные 12-разрядные выходные данные могут быть получены из этого
приколоть. |
|
18 |
VCC/VDD |
Этот вывод мощности IC, как правило, используется +5V.Может диапазон
от 2,4 В до 12 В. |
|
Особенность |
Описание |
|
12-битный энкодер IC |
Разработано для использования с HT12D для кодирования данных. |
|
Кодированные данные |
Содержит 4 бита данных и 8 адресов адреса, образуя общее количество
из 12 бит (8+4 = 12 бит). |
|
Беспроводная передача |
Обычно используется для радиочастотной и ИК -беспроводной передачи
приложения. |
|
Диапазон напряжения питания |
Работает с широким диапазоном напряжения питания от 2,4 В до
12V, обычно 5В используется. |
|
Низкий резервный ток |
Потребляет резервный ток всего 0,1 мкА при VCC = 5V,
обеспечение энергоэффективности. |
|
Параметры пакета |
Доступно в 16-контактных пакетах SOP для
Гибкая интеграция в схемы. |
• PT2262
• 74C922
IC HT12E широко используется в безопасных и надежных системах передачи данных, особенно в радиочастотной и ИК -беспроводной связи и приложениях дистанционного управления.Он сочетается с декодером HT12D для создания безопасной структуры, используя конфигурацию на основе адреса для предотвращения несанкционированного доступа.Общее использование включает в себя гаражные двери, автоматизацию дома и системы освещения, где его простой метод кодирования обеспечивает простоту использования и надежность.Несмотря на поддержку только 4-битной передачи данных, она идеально подходит для систем контроля с краткосрочным диапазоном, которые определяют приоритеты безопасности и производительности.Многие часто настраивают настройки адреса для удовлетворения конкретных потребностей проекта, что делает HT12E универсальным выбором для приложений, требующих умеренной сложности и надежной целостности данных.
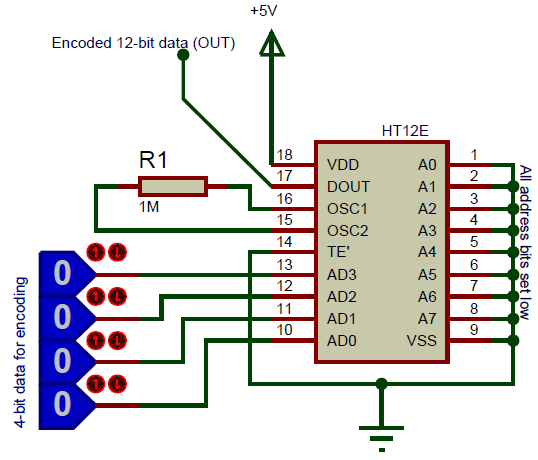
IC ECODER HT12E является важным компонентом передачи данных в системах дистанционного управления.Чтобы управлять им, подключите IC к стабильному источнику питания 5V и заземлите PIN -код передачи для активации режима передачи данных.Внутренний генератор требует 1 -метрового резистора, подключенного к контактам OSC1 и OSC2, чтобы обеспечить точное время и стабильную производительность.Для ввода данных используйте 4-битную конфигурацию на контактах AD0-AD3 и выровняйте адресные контакты (A0-A7), чтобы соответствовать адресу декодера, чтобы избежать ошибок связи.Кодированные данные затем выводят через вывод данных и могут передаваться в декодер HT12D через проводное соединение или беспроводные технологии, такие как RF или IR.В то время как проводные соединения надежны на короткие расстояния, беспроводные методы обеспечивают большую гибкость и адаптивность, что делает их идеальными для различных применений.

Схема соединения для HT12E IC
Энкодер HT12E широко используется в системах дистанционного управления, таких как открыватели гаражных дверей для повышения эффективности.Он преобразует параллельные данные в формат, подходящий для передачи радиочастотного модуля, обеспечивая точную и надежную связь между удаленным и приемником.По сравнению с аналоговыми системами HT12E предлагает более быструю и более надежную производительность.
В домашней автоматизации HT12E играет роль в преобразовании последовательных данных для эффективной интеграции системы.Это обеспечивает централизованный контроль различных видов деятельности, таких как включение или выключение огней и удаленно управление приборами.Этот кодер не только повышает удобство, но и способствует энергоэффективности, позволяя точно контролировать домашние системы, удовлетворяя ваши потребности в комфорте и устойчивости.
HT12E улучшает системы безопасности, такие как грабитель и пожарная сигнализация, путем обеспечения безопасной и точной передачи данных.Его надежное кодирование гарантирует, что аварийные сигналы, такие как оповещения вторжения или пожарные предупреждения, быстро и правильно передаются на станции мониторинга или аварийных служб.Это повышает общую безопасность и отзывчивость таких систем в критических ситуациях.
Полевые оценки показывают, что HT12E постоянно обеспечивает надежную производительность, даже в сложных средах с электромагнитными помехами.Его устойчивость и универсальность в различных приложениях делают его выдающимся решением по беспроводной связи, вдохновляя изучать инновационное использование и максимизировать его потенциал.

Пожалуйста, отправьте запрос, мы ответим немедленно.
на 2024/12/20
на 2024/12/20
на 8000/04/18 147757
на 2000/04/18 111931
на 1600/04/18 111349
на 0400/04/18 83719
на 1970/01/1 79508
на 1970/01/1 66892
на 1970/01/1 63010
на 1970/01/1 62988
на 1970/01/1 54081
на 1970/01/1 52111