
А TB6600 Модуль драйвера шагового двигателя-это устройство, отличающееся его устойчивостью и адаптивностью для управления 2-фазными шаговыми двигателями.Он легко подключается к широкому массиву микроконтроллеров, в основном Arduino, способствуя созданию точных цифровых импульсных выходов 5 В.Эти выходы динамичны для поддержания тонкого баланса управления двигателем.Работая в диапазоне напряжений 9-42 В постоянного тока и поддерживая пиковой ток 4 ампер, это универсальный выбор для различных моторных проектов.Эта адаптивность позволяет эффективно управлять моторным позиционированием и скоростью, что очень полезно в приложениях, которые направлены на минимизацию сложности кодирования.Высокочастотная изоляция модуля оптокуплера значительно повышает его надежность за счет снижения рисков интерференции и обеспечения стабильной работы.
Гармония с многочисленными микроконтроллерами делает драйвер TB6600 подходящим выбором для проектов, требующих сложного управления двигателем.Он плавно интегрируется с такими платформами, как Arduino, отражая его способность соответствовать разнообразным ожиданиям.Например, использование этого драйвера в машинах ЧПУ или 3D -принтеров позволяет точно и контролируемому движению, что иллюстрирует его полезность в различных областях.
Этот модуль выделяется благодаря поддержке 2-фазных и 4-фазных шаговых двигателей, так и гибридных конфигураций.Биполярная конструкция H-мостового моста является неотъемлемой частью эффективного управления напряжением и током, что обеспечивает пиковую производительность в своих приложениях.В средах, где точность и надежность приоритеты, такие как автоматизированные производственные линии и робототехника, эти функции высоко ценятся.
|
Особенность |
Описание |
|
Тип драйвера |
Биполярный драйвер DC Bipolar H-Bridge |
|
Вывод параметры тока |
8 типов (от 0,5 до 3,5А), выбираемые до 4 ампер |
|
Режимы подразделения |
Разделяется до 32, выбираемых на 6 режимов |
|
Параметры микроэлектрических шагов |
8 видов (1, 2/а, 2/b, 4, 8, 16, 32) |
|
Изоляция входного сигнала |
Высокоскоростное фотоэлектрическое разделение |
|
Интерфейс |
Полный стандартный интерфейс единого импульса |
|
Функция удержания в автономном режиме |
Да |
|
Экологическая пригодность |
Полузащиленное тело для суровых средств |
|
Функция блокировки мощности |
Полуавтоматический, энергосберегающий |
|
Спецификация |
Подробности |
|
Рабочее напряжение |
9-40V DC |
|
Выходной ток |
0,7A-4,0A (выбирается в 8 шагах через DIP-переключатели) |
|
Входная частота импульса |
До 20 кГц |
|
Входные уровни сигнала |
5 В уровни сигнала |
|
Пульс за революцию |
200-6400 |
|
Ток логического сигнала |
8A-15A |
|
Совместимость с двигателем |
Подходит для 2-фазных и 4-фазных шаговых двигателей |
|
Особенности защиты |
Перегрузка, перегрев защиты |
|
Входная изоляция |
Оптически изолирован |
|
Устойчивость к изоляции |
500 мегхм |
|
Поддерживаемый режим |
Режим PUL/FIR |
|
Расходы |
Бюджетный |
Модуль драйвера шагового двигателя TB6600 представляет собой серьезный компонент, предназначенный для управления как двухфазными, так и 4-фазными шаговыми двигателями, используя биполярную конфигурацию H-Bridge для эффективной работы.В этой конфигурации используются транзисторы MOSFET для обеспечения высокой производительности с точки зрения обработки тока и тепловой стабильности.Модуль работает путем взаимодействия с двумя первичными контрольными штифтами: шагом, который запускает двигатель, шагающий с каждым импульсом, и штифтом направления, который определяет направление вращения двигателя на основе приложенного напряжения.Вместе эти входы обеспечивают точный контроль над шагом двигателя и направлением вращения.

Схема схемы выделяет четыре ключевых транзистора, T1, T2, T3 и T4, расположенные в структуре H-мостика.Эти МОСФЕТЫ являются основой работы модуля, что позволяет иметь двунаправленный поток тока, необходимый для управления шаговым двигателем.Кроме того, диаграмма включает в себя диоды обработки (D1, D2, D3 и D4), которые являются ключом для защиты цепи от пиков напряжения, вызванных индуктивной нагрузкой двигателя.Эти диоды предотвращают перегрузку и повреждение чувствительных компонентов во время работы.A+, A-, B+и B-клеммы используются для подключения двигателя, обеспечивая точное и контролируемое движение моторного вала.
Драйвер TB6600 работает через скоординированное действие транзисторов MOSFET в H-мостике.Например:
• Вращение по часовой стрелке происходит, когда транзисторы T1 и T4 активируются, направляя поток тока от A+ до A-.
• Вращение против часовой стрелки происходит, когда T2 и T3 задействованы, обращая вспять текущий поток от A- до A+.
Эта чередующаяся активация транзисторов обеспечивает плавное двунаправленное движение.Для достижения оптимального крутящего момента и эффективной работы необходимы точное время и регулирование напряжения.
TB6600 поддерживает четыре различных режима эксплуатации, каждый из которых предназначен для баланса крутящего момента, точности и размера шага, в зависимости от требований применения:
• Волновой режим: В этом режиме только одна катушка энергична за раз.Активация одной катушки вращает двигатель на 90 градусов в одном направлении, в то время как обращение тока вращает его в противоположном направлении.Чередуя катушки, двигатель достигает непрерывной работы.Этот режим прост, но обеспечивает меньше крутящего момента по сравнению с другими режимами.
• Полный шаг режим: Обе катушки включены одновременно в этом режиме, генерируя более сильное магнитное поле.Это приводит к увеличению крутящего момента, что делает его идеальным для приложений, требующих большей мощности и стабильности.
• Полушаговый режим: Комбинация режима волны и полного шага, этот режим чередуется между энергией одной катушки и обеих катушек.Это эффективно уменьшает размер шага до 45 градусов, обеспечивая баланс между точностью и крутящим моментом.Тем не менее, крутящий момент может варьироваться в зависимости от того, являются ли одна или обе катушки под напряжением на определенном шаге.
• Режим микростепа : Наиболее точный из всех режимов, режим микростепа еще больше уменьшает размер шага, тщательно модулируя ток через фазы двигателя.Это достигается с использованием расширенных схем для создания гладких и постепенных переходов между шагами.Этот режим идеально подходит для приложений, требующих высокой точности и последовательного крутящего момента, таких как машины ЧПУ или робототехника.
Эффективное управление шаговыми двигателями требует комбинации надежного аппаратного и тщательно запрограммированного программного обеспечения.TB6600 Stepper Motor Driver выделяется как отличный инструмент для работы 2-фазных шаговых двигателей.Он поддерживает несколько режимов эксплуатации, таких как волна, полная шага, полушаговая и микроэпптинг.Его встроенные функции защиты, в том числе гарантия от низкого напряжения, перегрузки и перегрева, сделают его солидным выбором для проектов, требующих точности и долговечности.
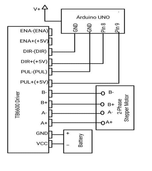
Чтобы настроить TB6600 с помощью Arduino Uno, собрайте следующие компоненты:
• arduino uno r3
• TB6600 Stepper Motor Driver (4A версия)
• Шаповый двигатель (с рекомендованным рейтингом 1,65А)
• Надежный источник питания (например, аккумулятор или регулируемый источник питания постоянного тока)
• перемычки
• Arduino IDE установлен на вашем компьютере
Чтобы интегрировать TB6600 с Arduino, следуйте этим подробным инструкциям
Подключить направление и импульсные сигналы
• Свяжите терминалы DIR+ и PUL+ на TB6600 с Arduino Pins 8 и 9 соответственно.Эти булавки посылают направление и импульсные сигналы.
• Прикрепите направление и пульсные клеммы к выводу земли (GND) Arduino.
• Подключите двигатель к TB6600: прикрепите провода шагового двигателя к терминалам TB6600.
• A+ и A- для одной катушки двигателя.
• B+ и B- для другой катушки.
• Включите драйвер TB6600: подключите контакты VCC и GND на TB6600 к вашему источнику питания.Убедитесь, что напряжение соответствует требованиям вашего двигателя и водителя, чтобы избежать повреждений.

Регулирование разрешения микростепа
TB6600 позволяет точно настроить точность движения шагового двигателя, используя переключатели SW1 и SW2.Отрегулируйте эти переключатели следующим образом:
• ¼ Шаг разрешения: установите SW1 и SW2.
• ⅛ Разрешение шага: установите SW1 и SW2 на.
• 1/32 этап.
• Режим полного шага: установите как SW1, так и SW2.
Таблица истины
|
SW2 |
Разрешение микростепа |
|
ВЫКЛЮЧЕННЫЙ |
1/32 шаг |
|
НА |
1/8 шаг |
|
ВЫКЛЮЧЕННЫЙ |
1/4 шага |
|
НА |
Полный шаг |
Корректировки переключателя позволяют оптимизировать баланс между точностью и скоростью в зависимости от потребностей вашего проекта.
Чтобы убедиться, что ваш двигатель работает в пределах безопасного тока, TB6600 имеет дополнительные переключатели (SW4 и SW6) для регулировки потока тока.Эти настройки полезны для:
• Предотвращение повреждения перегрузки.
• Поддержание постоянной моторной производительности.
• Всегда убедитесь, что ток двигателя остается ниже максимума водителя 4А для защиты обоих компонентов.
• Направление двигателя управления: если вы хотите, чтобы двигатель вращался против часовой стрелки, измените состояние PIN -кода DIR+ в вашем коде Arduino.
• Тестирование и устранение неполадок: после завершения настройки загрузите базовый эскиз управления двигателем Stepper, чтобы проверить функциональность проводки и драйвера.
• Избегайте перегрева: обеспечить правильную вентиляцию для драйвера TB6600, особенно в приложениях с высоким током.
Модуль TB6600 играет активную роль в многочисленных секторах, где используется тщательное управление двигателем.Его адаптируемость сияет в различных реализациях, которые подчеркивают его уникальные возможности:
В области телекоммуникаций достижение оптимального выравнивания антенны является обязательным для приема и передачи качества.TB6600 облегчает точное движение, тем самым повышая эффективность систем связи.
В рамках автоматизации и робототехники точная обработка шаговых двигателей достигается с помощью TB6600, что позволяет уточнить точность движения и надежность системы обеспечения.
Для компьютерных численных управления (CNC) TB6600 повышает сложные процессы резки и фрезерования, что позволяет вам поддерживать высокий уровень точности и повторяемой точности в своей работе.
В Additive Manufacturing, особенно 3D -печати, TB6600 предлагает подробное управление двигателем, поддерживая точное расположение головок печати, необходимых для создания комплексных форм и форм.
Модуль полезен для замысловатых задач управления двигателем в комплексных системах автоматизации, повышения эффективности и обеспечения утонченного управления.
TB6600 превосходит в сценариях, требующих точной скорости и контроля вращения, в основном используемых для оптимизации производительности в постоянно меняющихся средах.
Модуль поддерживает надежную работу камер и банкоматов, обеспечивая плавные, точные двигательные движения, что протягивает эксплуатационную продолжительность жизни устройств.
Для инструментов гравюры и оборудования TB6600 обеспечивает точный контроль, необходимый для выполнения мелко детализированных дизайнов, что является опасным фактором в отраслях, где доминируют точность и детали.
Пожалуйста, отправьте запрос, мы ответим немедленно.
Драйвер двигателя TB6600 работает с напряжением источника питания между 8 В до 45 В.
TB6600 использует модуляцию импульсной ширины (ШИМ) для регулировки скорости двигателя.Вы можете изменить скорость, изменяя частоту ШИМ.
Да, TB6600 может обрабатывать до 4,5А, что делает его совместимым с шаговыми двигателями, оцененными в соответствии с этим током.
Чтобы изменить направление двигателя, переключите последовательность входных сигналов на контрольных контактах (например, в 1-in2-in3-in4 для прямого, IN4-in3-in2-in1 для обратного).
TB6600 создан для 4-проводных шаговых двигателей.Если в вашем моторе есть более 4 проводов, вам понадобится другой драйвер.
TB6600 хорошо работает с двигателями NEMA17, но, как правило, не подходит для двигателей NEMA23 из -за их более высоких текущих требований.
на 2024/12/12
на 2024/12/12
на 8000/04/18 147757
на 2000/04/18 111931
на 1600/04/18 111349
на 0400/04/18 83719
на 1970/01/1 79508
на 1970/01/1 66892
на 1970/01/1 63010
на 1970/01/1 62987
на 1970/01/1 54081
на 1970/01/1 52111