
Быстрое преобразование Фурье (FFT) является основополагающим алгоритмом в обработке цифровых сигналов, что позволяет эффективно преобразовать данные между доменами времени и частоты.Введенный Кули и Тьюки в 1965 году, он произвел революцию в вычислительной математике, уменьшив сложность дискретного преобразования Фурье (DFT) из N2 Операции в 𝑁 log 𝑁.FFT достигает этой эффективности, разбивая большие последовательности на меньшие подпоследовательности, рекурсивно обрабатывая их и используя симметрию и периодичность синусоидальных сигналов.Обычно используемые стратегии разложения, такие как Radix-2 и Radix-4, позволяют использовать оптимизированные вычисления, что делает FFT практичными для таких приложений, как обработка аудио, телекоммуникации и анализ изображений.В дополнение к расчету DFT, FFT отлично подходит для таких задач, как обратные преобразования, свертка и корреляция, выступая на идеальном балансе между математической теорией и вычислительной практичностью.Со временем уточнения в методах Radix и гибридных подходах еще больше оптимизировали его производительность, укрепляя БПФ в качестве важного инструмента в современных технологиях.
Быстрое преобразование Фурье (FFT) революционизирует, как дискретное преобразование Фурье (DFT) вычисляется путем разбивания на меньшие, эффективные сегменты, используя свойства, такие как периодичность и симметрия для устранения избыточных расчетов.Такие инновации, как алгоритм преобразования Winograd Fourier (WFTA) и алгоритм основного фактора, еще больше повышают эффективность, особенно при обработке последовательностей конкретных длины или первичных входов.Эти расширенные алгоритмы имеют глубокие практические приложения, от ускорения времени цифровой обработки сигналов до оптимизации использования ресурсов в сложном анализе данных.Помимо технических выгод, FFT и его производные углубляют наше понимание математических и вычислительных принципов, демонстрируя элегантность решения сложных проблем посредством систематического упрощения.
Алгоритмы FFT классифицируются на основе их использования экспоненциальных факторов.Каждый тип имеет уникальные приложения и вычислительные методы.
Алгоритм Cooley-Tukey-это мощный метод, который преуспевает в факторинге композитных чисел в управляемые компоненты.Полагаясь на модульное разложение, это улучшает вычислительные характеристики.Этот метод оптимизирует расчеты, разбивая проблемы итеративно, облегчая их решающему.Его подход сопоставим с модульным дизайном в инженерии, поскольку он упрощает сложные системы для повышения управления ошибками и эффективности.

Алгоритм Radix-2 представляет собой особый случай метода Cooley-Tukey, специально предназначенного для длины данных, которые являются способностями двух.Он работает, разделяя вход на два следовых сегмента, что позволяет эффективно уравновешивать операции.Ключевой силой этого подхода является его прямая и надежность, которые сделали его широко использование.Этот алгоритм идеально подходит для наборов данных с длиной в виде 2𝑛.

Алгоритмы сплит-радикса и смешанного радикса предназначены для обработки входных размеров, которые не ограничены силами двух.Алгоритм разделения RADIX объединяет элементы методов Radix-2 и Radix-4 для повышения эффективности вычислительной техники, в то время как алгоритм смешанного RADIX адаптируется к не мощным длинам данных, гибкой факторией входного размера.Ключевой силой этих алгоритмов является их универсальность и эффективность, что делает их хорошо подходящими для обработки данных с произвольной длиной.Регулируя методы факторизации, они поддерживают высокую вычислительную скорость независимо от размера ввода.

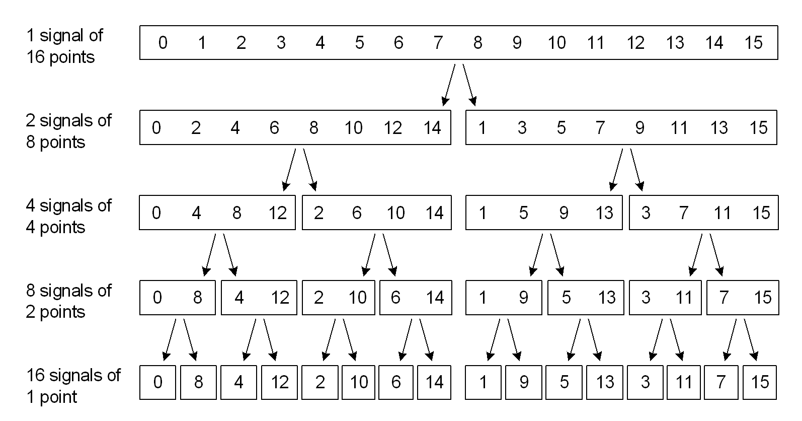
Понимание FFT (быстрое преобразование Фурье) включает в себя подробное изучение как доменов времени, так и частот.Во временной области данные разделяются на равномерные и нечетные части для упрощения обработки.Этот метод, в сочетании с алгоритмом «бабочка», помогает организовать вычисления и делает процесс эффективным, сохраняя все на месте во время расчетов.
Разложение временной области: Разрушение данных на более мелкие части во временной области облегчает понимание БПФ и более эффективным.Каждый шаг показывает больше деталей о последовательности, аналогичной решению большой проблемы, разбивая ее на более мелкие, управляемые задачи.Этот пошаговый подход улучшает как скорость обработки, так и понимание.
Начиная с частотной области: Начиная с частотной области предлагает другой способ обработки БПФ.Этот подход работает хорошо, когда частотные данные находятся в центре внимания, распределяя работу более равномерно.Он показывает, как алгоритмы могут адаптироваться к различным структурам и потребностям данных.
Алгоритм "бабочка": Алгоритм «бабочка» является ключом к БПФ, упрощению и визуализации того, как трансформируются данные.Он отображает поток данных на каждом шаге, облегчая понимание сложных вычислений, очень похоже на хорошо прорисованную карту, которая упрощает навигацию.
Синхронизация результатов: Поддержание промежуточных и конечных результатов в соответствии с обработкой FFT на месте обеспечивает точность и эффективность.Эта координация уменьшает ошибки, разумно ресурсов и сохраняет точность в различных приложениях.
Замечательная емкость БПФ для оптимизации дискретных преобразований Фурье обеспечивает обработку сигнала времени.В системах связи быстрый сдвиг между доменами времени и частоты используется для эффективного управления различными типами данных.Это преобразование обусловлено БПФ, которое сводит к минимуму вычислительные требования, достижение более низкой задержки и повышенной пропускной способности, даже среди тонкостей современных сетей.
FFT играет важную роль в обработке аудиосигналов путем уточнения качества звука, снижения шума и модуляции эффектов.Помимо традиционных аудио задач, теперь это влияет на захватывающие слуховые переживания, такие как моделирование 3D -звука и визуализация времени.Используйте спектральные данные с высокой точностью, предлагаемые FFT для создания богато детализированных звуковых пейзажей, повторяя чувства, встроенные в их искусство.
Для радиолокационных и сонарских систем эффективность преобразования сигналов является центральной для обнаружения, анализа и реагирования на различные входы.FFT превращает необработанные данные в доступную статистику, способствуя быстрому принятию решений в таких контекстах, как военные, авиационные и морские операции.Другие зависят от превосходства БПФ для поддержания надежности и точности в этих приложениях.
Анализ спектра значительно повышается за счет точности и быстроты БПФ.Он упрощает сложные сигналы в отдельные частоты, которые помогают понять поведение и взаимодействие сигнала, тем самым продвигая передовые системы цифровой обработки сигналов.Это приложение полезно во многих областях, включая беспроводную связь и электронику, где четкое интерпретация сигнала привлекает наше внутреннее стремление к пониманию.
Пожалуйста, отправьте запрос, мы ответим немедленно.
на 2024/12/29
на 2024/12/29
на 8000/04/18 147758
на 2000/04/18 111946
на 1600/04/18 111349
на 0400/04/18 83722
на 1970/01/1 79508
на 1970/01/1 66916
на 1970/01/1 63074
на 1970/01/1 63012
на 1970/01/1 54081
на 1970/01/1 52143