

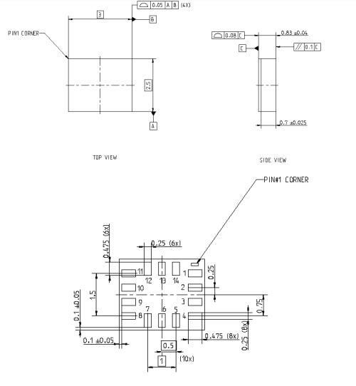
|
Штифт № |
Описание |
|
1 |
SDO, серийный выход данных в SPI 4W |
|
2 |
ASDX, интерфейс AUX / OIS интерфейс |
|
3 |
Ascx, интерфейс интерфейса AUX / OIS |
|
4 |
Int1, прерывание PIN 1 |
|
5 |
Vddio, цифровое напряжение питания Vo (1.2 .. 3,6 В) |
|
6 |
Gndio, земля для v0 |
|
7 |
GND, земля для цифровых и аналоговых |
|
8 |
VDD, аналоговый и цифровой источник питания (1.71 .. 3,6 В) |
|
9 |
Int2, прерывание PIN 2 |
|
10 |
OCSB, OIS интерфейс |
|
11 |
OSDO, OIS интерфейс |
|
12 |
CSB, чип выберите для режима SPI |
|
13 |
SCX, SP/4C Serial Clock (SCK/SCL) |
|
14 |
SDX, серийные данные Vo |



А BMI270 тщательно изготовлен для носимых устройств, приоритетных низким энергопотреблением, в то же время может похвастаться необычайным обнаружением движения через его ансамбль интегрированных датчиков.Это замысловатое устройство объединяет трехосную гироскоп с 16-битным акселерометром в его тесно сплоченной структуре, что наносит баланс между эффективным использованием места и полноценными функциональными возможностями.
Способность BMI270 минимизировать использование энергии, обеспечивая точный анализ движения, представляет собой заметный технологический скачок.В мире носимых технологий, где эффективность мощности формирует ваш опыт, такие достижения могут значительно повлиять на ваше удовлетворение.Для технических поклонников, которые ценят удобство, расширенное долговечность батареи уменьшает хлопот регулярной зарядки.
Консолидация трехосного гироскопа и акселерометра в одну единицу оптимизирует как точность данных, так и миниатюрную конструкцию устройства.Опыт в технологическом секторе предполагает, что бесшовное включение деталей является ключом к поддержанию производительности устройства при одновременном упрощении его сборки и сокращении его размера.Эта стратегия не только приносит пользу вам путем снижения расходов на разработку, но и вмещает множество видов использования, от отслеживания фитнес -деятельности до обеспечения функциональных возможностей управления жестами.
|
Особенность |
Описание |
|
Упаковка |
Компактный пакет плесени LGA STANTERL
след 2,5x3,0 мм², высота 0,83 мм |
|
Цифровой интерфейс |
Основной цифровой интерфейс с SPI 10 МГц (4-провод
3-провод) и до 1 МГц I²C (FM+) |
|
Выходные скорости передачи данных (ODR) |
25 Гц - 6,4 кГц (гироскоп), 0,78 Гц - 1,6 кГц
(Акселерометр) |
|
Фильтр низкого уровня |
Программируемый фильтр с низкой частотой с пропускной способностью ~ 513-680 Гц
(Акселерометр), ~ 890 Гц (гироскоп) |
|
Источник питания |
Аналоговый VDD: 1,71 В - 3,6 В;Независимый Vddio: 1,2 В - 3,6 В |
|
Энергопотребление |
Ультра-низкое потребление тока, типичное 685 мкА (в полном объеме
ODR и без псевдонимов) операция) |
|
Режим производительности гироскопа |
Низкий уровень шума, типичный < 8 mdps/√Hz |
|
Единица управления энергетикой (PMU) |
Встроенный PMU для передового управления питанием и низкой энергии
режимы |
|
Время запуска |
2 мс для гироскопа (режим быстрого запуска), 2 мс для
Акселерометр |
|
Вторичный интерфейс |
Свободно настраивается;400 кГц I²C (FM) Мастер -интерфейс
Хаб для одного датчика AUX (например, магнитометр, давление) |
|
Высокоскоростная SPI |
10 МГц SPI (4-проводная, 3-проводная) для высокоскоростных применений;
до 6,4 кГц ODR с задержкой группы MAX 676 мкс. |
|
Встроенный FIFO Buffer |
2 КБ FIFO Buffer для акселерометра, гироскоп,
временные метки и данные датчика AUX |
|
Компенсация смещения
|
Компенсация ошибок быстрого смещения для акселерометра и
Гироскоп |
|
Чувствительность компенсация |
Компенсация ошибок по ошибке чувствительности для гироскопа (CRT,
MAX Чувствительность ошибка < 1%) |
|
Синхронизация |
HW синхронизация акселерометра, гироскопа и Aux
датчик (< 1 μs) |
|
Временные метки |
Датчики временные метки для точного времени и датчика датчика
синхронизация (< 40 μs) |
|
Программируемые булавки ввода/вывода |
2 независимых программируемых контактов VO для прерывания и
События синхронизации |
|
Согласие |
ROHS Completian |
Датчик BMI270 находит свое место в различных передовых технологиях из-за его небольшого размера и точности.Его интеграция учитывает отрасли, ориентированные на повышение вашего участия и опыта.
Для носимых устройств BMI270 сияет своим мастерством.Этот компонент предоставляет точные данные, полезные для отслеживания физической подготовки, мониторинга здоровья и распознавания действий.Вы часто можете обнаружить, что такие бесшовные сенсорные интеграции обогащают повседневную деятельность и вдохновляют более здоровый образ жизни.Эффективность датчика в управлении энергопотреблением продлевает срок службы батареи этих устройств, делая их более портативными и доступными.
В мире аудио аксессуаров способность датчика обрабатывать данные ускорения улучшает такие функции, как шумоподавление и корректировки звука.Эта адаптивная технология реагирует на ваши движения и изменения окружающей среды, предлагая более богатый и более интуитивно понятный слуховой опыт, который легко вписывается в свой повседневной ритм.
Сфера инновационного текстиля была революционизирована с помощью датчика BMI270.Умные одежды, оснащенные этим датчиком, предлагают анализ активности, помогая в коррекции осанки тела.По мере повышения спроса на универсальную одежду интеграция этих датчиков дает представление о вашем поведении и эргономике, способствуя более индивидуальным решениям в хорошем состоянии и физической подготовке.
В рамках дополненной и виртуальной реальности BMI270 является основным для обеспечения быстрого и точного отслеживания движения.Это позволяет вам погрузиться в цифровой мир с улучшенным контролем и взаимодействием.Минимизируя укачивание, датчик повышает комфорт и взаимодействие, с пониманием развертываний AR/VR, усиливая эти следы, чтобы лучше соответствовать вашим желаниям и потребностям.

Датчик BMI270 превосходит в своем применении к современной носимой и слушаемой технологии.Благодаря поддержке как для интерфейсов I2C, так и SPI, он открывает двери для таких приложений, как распознавание жестов и обнаружение активности/контекста, способствуя бесшовному опыту с технологиями и повышенной осведомленности об окружающей среде.
Распознавание жестов, облегченное BMI270, обеспечивает сложное, но естественное взаимодействие между вами и вашими технологическими устройствами.Правильно интерпретируя ваши жесты, датчик переопределяет функциональность ваших интерфейсов.В мире носимых технологий жесты часто стоят за обычными управлениями кнопок.Это позволяет вам управлять устройствами осторожно и эффективно, в основном выгодной особенностью, когда физическое взаимодействие менее осуществимо.Непрерывные улучшения алгоритмов распознавания жестов способствуют более адаптируемой и отзывчивой системе, которая соответствует разнообразным предпочтениям и требованиям.
Трекеры фитнеса обычно оснащены распознаванием жестов, что позволяет переключать режимы упражнений или инициировать сеансы тренировок с помощью простого движения запястья.Эта функциональность, контролируемая жестами, отражается в умных наушниках, где вам нравится удобство изменения песен или настройки уровней громкости без необходимости физического взаимодействия со своими устройствами.Содействие такой технологии жестов подчеркивает ее способность повысить ваше удовлетворение и углубить взаимодействие в различных приложениях.
|
Тип |
Параметр |
|
Время выполнения завода |
14 недель |
|
Монтажный тип |
Поверхностное крепление |
|
Пакет / корпус |
14-VFLGA |
|
Рабочая температура |
-40 ° C ~ 85 ° C. |
|
Упаковка
|
Лента и катушка (TR) |
|
Статус частично |
Активный |
|
Уровень чувствительности влаги (MSL) |
1 (неограниченный) |
|
Вывод типа |
I2c, spi |
|
Тип датчика |
Акселерометр, гироскоп, 6 оси |
|
Статус ROHS |
ROHS3 соответствует |

Bosch Sensortec GmbH, работающий под энтузиазмом Robert Bosch Gmbh, выделяется благодаря своей технологии в области MEMS (микроэлектромеханические системы).Основная миссия этой фирмы состоит в том, чтобы создать передовые датчики, которые повышают то, как различные устройства взаимодействуют с их средой.Технология, разработанная здесь, попадает в многочисленную потребительскую электронику и постоянно растущую область устройств IoT (Интернет вещей).Глубокое влияние этих датчиков очевидно в их повышении точности и функциональности инноваций, таких как носимые технологии, устройства интеллектуального дома и различные промышленные приложения.
Благодаря неустанным инновациям и заметным инвестициям в исследования и разработки, Bosch Sensortec GmbH разработала датчики, характеризующиеся повышенной точностью, эффективностью и надежностью.Их инновации на основе MEMS служат разнообразным областям, включая зондирование движения, мониторинг окружающей среды и управление энергией.Например, датчики играют серьезную роль в обновлении возможностей мобильных устройств, таких как обнаружение ориентации, распознавание жестов и адаптация к изменениям окружающей среды.Этот прогресс не только обогащает ваш опыт, но и устанавливает новые отраслевые стандарты для современных сенсорных технологий.
Пожалуйста, отправьте запрос, мы ответим немедленно.
BMI270 интегрирует функции, вызванные движением, комбинируя точные измерения ускорения и угловой скорости.Эта интеграция поддерживает расширенные возможности обнаружения и отслеживания движения, используемые в различных электронных приложениях потребителей.Используя эти передовые измерения, устройства могут достичь превосходной производительности при отслеживании физического движения и ориентации.Это обеспечивает широкий спектр функциональных возможностей, начиная от иммерсивного игрового опыта до тщательного отслеживания фитнеса.
BMI270 создан Bosch Sensortec, компанией, признанной за его высококачественные датчики, используемые в различных отраслях промышленности.Глубокий экспертиза Bosch в технологии сенсорных технологий гарантирует, что BMI270 соответствует строгим критериям современных электронных устройств, последовательно обеспечивая надежную производительность.
BMI270 имеет несколько улучшений, улучшенных акселерометра, разработанного для более высокой точности в динамических условиях.Это улучшение оказывается в основном выгодным в сценариях, требующих точного зондирования движения, таких как виртуальная реальность или автономная навигация, где даже незначительные неточности могут нарушить ваш опыт.
Производительность BMI270 повышается благодаря всесторонним улучшениям в функциональности акселерометра.Эти усовершенствования включают снижение шума и минимизация ошибок измерения, что позволяет устройствам, оснащенным BMI270 для более эффективной работы в различных условиях.В отраслях, где доминируют точность, такие как медицинские или аэрокосмические технологии, эти модернизации дают существенные преимущества.
BMI270 достигает примечательных улучшений, уменьшая смещение Zero-G и уменьшая ошибку чувствительности.Снижение смещения с нулевым g поддерживает точность датчика в течение стационарных периодов, в то время как ошибка снижения чувствительности обеспечивает более надежную работу в разных условиях окружающей среды.Эти двойные улучшения делают BMI270 неотразимым вариантом для вас приоритетов точности и надежности в датчиках.
на 2024/11/4
на 2024/11/4
на 8000/04/18 147758
на 2000/04/18 111946
на 1600/04/18 111349
на 0400/04/18 83722
на 1970/01/1 79508
на 1970/01/1 66916
на 1970/01/1 63071
на 1970/01/1 63012
на 1970/01/1 54081
на 1970/01/1 52141