
А MPC8245LZU300D От NXP USA Inc.-высокопроизводительный интегрированный процессор на основе ядра PowerPC 603E, оптимизированный для встроенных приложений, требующих эффективных затрат, пространства и управления питанием.Этот вариант работает с сердечной скоростью 300 МГц и поддерживает до 2 ГБ SDRAM, что делает его подходящим для требовательных приложений.Он оснащен 32-разрядным интерфейсом PCI, способным составлять 66 МГц, повышая его совместимость с различными периферийными устройствами PCI.Интегрированные функциональные возможности включают двойные универсальные асинхронные трансмиттеры приемника (Duarts), контроллер I²C и двухканальный контроллер DMA, среди прочего, что способствует его универсальности при эффективной обработке сложных задач обработки.Упакованный в конфигурации массива сетки с помощью ленточной шарики с 352 мрачными шариками (TBGA), MPC8245LZU300D обеспечивает компактный след с надежными характеристиками при температурах в диапазоне от 0 ° C до 105 ° C.
Если вы хотите разместить объемный заказ на MPC8245LZU300D, подумайте о покупке у нас.Мы позаботимся о том, чтобы вы получили лучшее предложение и сможем полностью использовать этот мощный процессор для ваших предстоящих проектов.
Суперкаларная архитектура:Позволяет процессору выполнять несколько инструкций на тактовой цикл, повышая эффективность и скорость ядра.
Интегрированные кеши:Features 16 KB of instruction cache and 16 KB of data cache, which can be partially or fully locked.This helps in minimizing the time taken to access frequently used data, speeding up processing.
Динамическое управление питанием:Включает в себя режимы управления питанием, такие как NAP, DOZE и SLEEP, которые помогают уменьшить потребление энергопотребления на основе операционных требований процессора.
Поддержка SDRAM:Может обрабатывать до 2 ГБ SDRAM через 32- или 64-битную шину данных.Он поддерживает несколько конфигураций, приспосабливаясь к различным размерам и типам банков памяти.
Исправление ошибок:Использует механизмы, такие как буферизация записи для PCI и обработки доступа, при поддержке методов целостности данных, таких как паритет, операции с модификацией чтения-модификации или ECC (код, корректирующий ошибки).
Универсальный ПЗУ и интерфейсы ввода/вывода:Поддерживает различные типы памяти ПЗУ и флэш-памяти и предлагает несколько портов ввода-вывода общего назначения, что делает ее адаптируемым к различным системным архитектурам.
32-битная шина PCI:Работает со скоростью до 66 МГц и соответствует стандартам PCI 2.2.Он также способен взаимодействовать с ряд периферийных устройств PCI благодаря ее толерантности к 5,0 В.
Поддержка с двумя каналами:Особенности двухканального контроллера DMA, который поддерживает прямые режимы и цепочки, которые могут автоматизировать и связывать передачи данных для более эффективной обработки данных.
Возможность рассеяния-собирателя:Облегчает операции, которые включают чтение или написание в непрерывные разделы памяти, оснащенные очередью передачи и множественными параметрами прерывания для эффективного управления передачами данных.
Интерфейсы связи:Включает два UART для последовательной связи и контроллер I²C, который поддерживает как мастер, так и подчиненные режимы, что позволяет использовать различные потребности в связи.
Programmable Interrupt Controller:Provides robust management of hardware and serial interrupts, improving the system’s responsiveness and control.
Timers and Clock Generation:Включает четыре программируемых таймеры и встроенные механизмы для генерации часов для шины PCI и SDRAM, обеспечивая точную синхронизацию и синхронизацию в разных компонентах системы.

А MPC8245LZU300D block diagram shows how the processor and peripherals interact.It has two main sections: the Processor Core Block и Peripheral Logic BlockПолемThe Processor Core Block handles computations.It includes the Branch Processing Unit (BPU)В Integer Unit (IU)В Floating-Point Unit (FPU), и Load/Store Unit (LSU)ПолемInstructions are fetched, processed, and executed efficiently with the help of 16-KByte Data and Instruction CachesПолемА Memory Management Units (MMUs) manage memory access.А Peripheral Logic Block connects the processor to external devices.Это включает в себя DMA Controller for fast memory transfers, an I²C Controller for communication, and a Message Unit for input/output operations.А PCI Bus Interface supports a 32-bit PCI connection for expansion.А Memory Controller handles system memory, including SDRAM synchronization clocks.For system control, it has a PIC Interrupt Controller that manages interrupts from different sources.А Data Path ECC Controller ensures data integrity, supporting 32-bit or 64-bit data buses with parity or ECC (Error-Correcting Code)ПолемClock signals like OSC_IN и PCI_SYNC_IN keep everything synchronized for smooth operation.

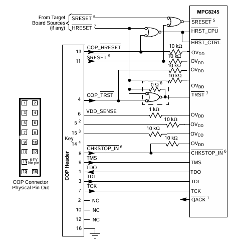
А COP Connector Diagram for the MPC8245LZU300D shows the debugging and reset interface used for testing and troubleshooting the processor.А 16-pin COP Header connects the processor to external JTAG/COP debugging tools.Key signals include SRESETВ HRESET, и COP_HRESET, which control system resets.А HRST_CTRL input helps coordinate resets using logic gates.А COP_TRST resets the JTAG test logic.The JTAG signals: TMSВ TDOВ TDI, и TCK are used for boundary scan and in-circuit debugging.А CHKSTOP_IN signal controls processor clocking during debugging, while VDD_SENSE monitors system voltage.Pull-up and pull-down resistors (10 kΩ, 1 kΩ) help stabilize signals.А QACK signal assists in debugging coordination.А COP Connector follows standard JTAG pinout, making it easy to connect with debugging tools.
|
Тип |
Параметр |
|
Производитель |
NXP USA Inc. |
|
Ряд |
MPC82xx |
|
Упаковка |
Поднос |
|
Статус частично |
Устаревший |
|
Core Processor |
PowerPC 603e |
|
Number of Cores/Bus Width |
1 Core, 32-Bit |
|
Скорость |
300MHz |
|
RAM Controllers |
SDRAM |
|
Graphics Acceleration |
Нет |
|
Voltage - I/O |
3.3V |
|
Рабочая температура |
0°C ~ 105°C (TA) |
|
Монтажный тип |
Поверхностное крепление |
|
Пакет / корпус |
352-LBGA |
|
Пакет устройства поставщика |
352-TBGA (35x35) |
|
Additional Interfaces |
I2C, I²O, PCI, UART |
|
Базовый номер продукта |
MPC82 |
Networking Equipment
The MPC8245LZU300D is ideally suited for networking devices such as routers, switches, and network interface cards.Его надежный интерфейс PCI и интегрированные периферийные устройства связи обеспечивают высокоскоростные передачи данных и эффективное управление несколькими протоколами связи.This capability enhances the performance and reliability of network operations.
Industrial Automation
В промышленной автоматизации этот процессор играет роль в системах питания, таких как программируемые логические контроллеры (ПЛК), машинные интерфейсы (HMIS) и другие машины автоматизации.The processor’s ability to handle control and monitoring tasks makes it an important component in modern industrial settings, ensuring precise and efficient process management.
Решения для хранения
Усовершенствованный интерфейс памяти и DMA возможностей MPC8245LZU300D делают его отличным выбором для приложений, связанных с хранением, включая контроллеры RAID и сетки областей хранения (SANS).Он превосходен в управлении высокоскоростным доступом к данным и эффективным управлению хранилищами, которые отлично подходят в средах, где целостность данных и быстрый доступ являются приоритетами.
Телекоммуникации
Этот микропроцессор хорошо подходит для использования в телекоммуникационном оборудовании, таком как базовые станции и шлюзы.Его способность эффективно обрабатывать несколько потоков данных и поддерживать различные протоколы связи помогает улучшить общую функциональность и надежность телекоммуникационной инфраструктуры.
Встроенные системы
Универсальная интеграция MPC8245LZU300D делает его основным кандидатом на встроенные системы, обнаруженные в автомобильной электронике, электронике и медицинских устройствах.Его диапазон интегрированных периферийных устройств и интерфейсов позволяет разработать специализированные высокопроизводительные встроенные решения, адаптированные для удовлетворения конкретных потребностей этих отраслей.
Интегрированный дизайн системы на чипе (SOC)
MPC8245LZU300D объединяет ядро процессора, контроллеры памяти и периферийные устройства в один чип.Этот подход SOC упрощает архитектуру системы, сводит к минимуму необходимость в внешних компонентах и может привести к снижению затрат на фазах разработки и производства.
Высокопроизводительная обработка
Процессор работает на частоте 300 МГц и использует суперкаларную архитектуру, которая позволяет ему выполнять несколько инструкций на цикл такта.Эта высокопроизводительная возможность обработки обеспечивает эффективную работу и превосходит процессоры, которые не поддерживают такой параллелизм, что делает его идеальным для требовательных приложений.
Универсальная поддержка памяти
Этот процессор поддерживает до 2 ГБ SDRAM и оснащен расширенным интерфейсом памяти, который включает в себя коррекцию ошибок и универсальные интерфейсы ПЗУ и ввода/вывода.Этот уровень поддержки памяти обеспечивает гибкость, позволяя системе настраивать конфигурацию памяти для удовлетворения конкретных потребностей приложения, что является преимуществом более жестких систем.
Комплексная периферическая интеграция
MPC8245LZU300D включает в себя интегрированные интерфейсы связи, такие как UARTS и контроллер I²C, а также программируемые таймеры и контроллеры прерываний.Эта обширная периферическая интеграция снижает необходимость в дополнительных внешних компонентах, упрощая общую конструкцию и повышение надежности системы за счет уменьшения потенциальных точек отказа.
Низкое энергопотребление
Получая динамическое управление питанием с такими режимами, как NAP, DOZE и SNEPE, процессор может оптимизировать использование энергии на основе текущих требований рабочей нагрузки.Эта возможность используется в приложениях, где необходима эффективность электроэнергии, обеспечивая преимущество перед другими процессорами, в которых отсутствует такой подробный контроль мощности.
|
Параметр |
Измерение (мм) |
|
Схема упаковки |
35 мм × 35 мм |
|
Взаимодействия |
352 |
|
Подача |
1.27 mm |
|
Паяные шарики |
Zu (пакет TBGA) –62 SN/36 PB/2 Ag;VV (версия без свинца
пакета) –95,5 Sn/4,0 Ag/0,5 Cu |
|
Диаметр шарика пая |
0,75 мм |
|
Максимальная высота модуля |
1,65 мм |
|
Спецификация коплентности |
0,15 мм |
|
Максимальная сила |
6,0 фунтов.Всего, равномерно распределено по упаковке (8
граммы/мяч) |

Микропроцессор MPC8245LZU300D является продуктом NXP USA Inc.., дочерняя компания NXP Semiconductors.NXP Semiconductors, появившиеся из Philips Semiconductors, со штаб -квартирой в США со штаб -квартирой в Остине, штат Техас.Этот процессор, часть их более широкого портфеля, интегрирует технологии, оптимизированные для производительности и низкого энергопотребления, что делает его подходящим для различных встроенных приложений.Хотя MPC8245LZU300D был помечен как устаревший, NXP USA Inc. продолжает поддерживать свои устаревшие продукты, одновременно раздвигая границы в таких областях, как автомобильная, промышленная и IoT, через новые полупроводниковые решения.
MPC8245LZU300D является сильным и надежным процессором, созданным для требовательных приложений.Благодаря своей быстрой обработке, встроенным функциям связи и интеллектуальными режимами энергосбережения, он помогает системам работать гладко и эффективно.Несмотря на то, что теперь он устарел, он по -прежнему полезен во многих сетевых, промышленных и телекоммуникационных проектах.Его способность выполнять несколько задач при сохранении мощности делает его ценным выбором в поисках надежного встроенного процессора.
Пожалуйста, отправьте запрос, мы ответим немедленно.
Да, MPC8245LZU300D построен с суперкаларной архитектурой, позволяя ему выполнять несколько инструкций на цикл такта.Он включает двухканальный контроллер DMA, который может управлять передачами данных независимо от процессора, расширяя возможности многозадачности.Это делает его отличным выбором для приложений и встроенных систем, которые требуют параллельной обработки данных.
Процессор поддерживает до 2 ГБ SDRAM с использованием 32- или 64-битной шины данных.Он также включает в себя функции коррекции ошибок, такие как проверка паритета и ECC (код, корректирующий ошибки), обеспечивая целостность данных в таких приложениях, как решения для хранения, телекоммуникационное оборудование и промышленная автоматизация.
Да, MPC8245LZU300D имеет динамическое управление питанием с несколькими режимами (NAP, DOZE и SLEEP), которые регулируют энергопотребление на основе рабочей нагрузки системы.Это делает его энергоэффективным и подходящим для встроенных батарейных или низких мощных систем.
MPC8245LZU300D работает в пределах температурного диапазона от 0 ° C до 105 ° C, что делает его подходящим для промышленных и встроенных сред, которые требуют надежной производительности в различных термических условиях.
Да, MPC8245LZU300D идеально подходит для сетевых приложений, таких как маршрутизаторы, коммутаторы и сетевые интерфейсные карты (NIC).Его высокоскоростный интерфейс PCI, интегрированный контроллер DMA и поддержка протоколов связи делает его хорошо для эффективной работы с сетевыми задачами.
на 2025/03/14
на 2025/03/13
на 8000/04/18 147758
на 2000/04/18 111946
на 1600/04/18 111349
на 0400/04/18 83722
на 1970/01/1 79508
на 1970/01/1 66916
на 1970/01/1 63072
на 1970/01/1 63012
на 1970/01/1 54081
на 1970/01/1 52142